Altech R Series Circuit Breaker

Altech R Series Circuit Breaker are DIN-rail mounted and feature 17.5mm width per pole, 0.5 to 63A rated current range, and 10kA short-circuit withstand capacity. This thermal magnetic supplementary protector is UL 1077 recognized and include 1-, 2-, and 3-pole variants. Altech R Series Circuit Breaker feature a positive trip indicator with green for "off/tripped" and red for "on" status. The R series is ideal for sensitive electronics, power supplies, and appliance circuits.

Features

  • DIN-rail mounted
  • Thermal magnetic
  • UL 1077 recognized
  • 1-, 2-, and 3-pole variants
  • Positive trip indicator (green - off/tripped, red - on)

Applications

  • Sensitive electronics
  • Power supplies
  • Appliance circuits

Specifications

  • 17.5mm width per pole
  • 0.5 to 63A rated current
  • 10kA short-circuit withstand capacity
  • 18Hz to 50Hz vibration resistance
  • IP20 rating
  • -25°C to 60°C operating temperature range

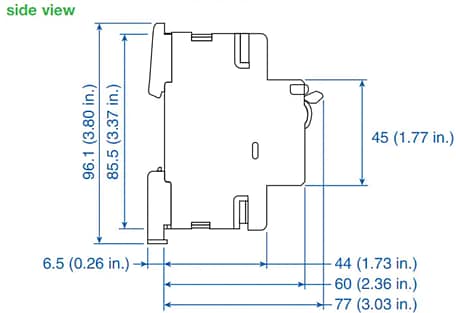
Dimensions (mm)

Altech R Series Circuit Breaker

Pole Dimensions

Altech R Series Circuit Breaker
Publicado: 2019-09-03 | Actualizado: 2025-07-02