Analog Devices Inc. AD-BMSE2E3W-SL Evaluation Board
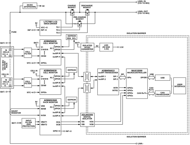
Analog Devices Inc. AD-BMSE2E3W-SL Evaluation Board is a complete Battery Management System (BMS) reference design for Light Electric Vehicles (LEVs). This board offers a 72V to 96V regulated voltage range, up to 100A current capacity, and Low-Power Cell Monitoring (LPCM) capability. The AD-BMSE2E3W-SL integrated single-board system features the ADBMS6830 16-cell monitor, ADBMS2950 pack current monitor, ADBMS6822 isoSPI transceiver, and MAX32690 microcontroller. This evaluation board performs in embedded mode or using a GUI to calculate the battery's SoC and State of Health (SoH) through an enhanced coulomb counting technique. Typical applications include electric and hybrid 2-wheeler vehicles, and electric and hybrid 3-wheeler vehicles.Features
- Variable 72V to 96V voltage range, suitable for E2W/E3W applications
- ASIL-D compliant and automotive grade BMS chip
- Built-in charge, pre-charge, and discharge circuitry
- 1.8mV Total Measurement Error (TME) for cell voltage monitoring
- High-performance cell/pack voltage and current monitoring
- On-board isoSPI communication
- Low Power Cell Monitoring (LPCM) capability
- GPIO controllable FET Monitoring
- ADBMS6830 GPIO input ready for NTC sensors
- Low power MAX32690 MCU
- UART and CAN communication
- SOC and SOH through enhanced coulomb counting technique
- E2W/E3W basic system behavior modes
- Embedded application-ready (via CLI)
- With GUI capable of the following measurements and fault detection:
- Cell monitoring
- Voltage and current pack monitoring
- Charge current monitoring
- Discharge current monitoring
- Temperature monitoring
- Cell OV/UV detection
- Cell/GPIO open-wire detection
- Cell balancing
Applications
- Electric and hybrid 2-wheeler vehicles
- Electric and hybrid 3-wheeler vehicles
- Light electric vehicles
Required Equipment
- 1x AD-BMSE2E3W-SL (main board)
- 2x cell connector block
- 2x DC2472A battery emulator
- 1x MAX32625PICO programmer with 10-pin SWD cable
- 4x USB™ type B cable
- 1x BU-P1166-12-2 (Red) Banana plug to Alligator clip
- 1x BU-P1166-12-0 (Black) Banana plug to Alligator clip
- Host PC running Microsoft Windows 10®
Block Diagram
Publicado: 2024-07-16
| Actualizado: 2024-07-29
