Analog Devices Inc. LTC3874-1 Demo Board DC2605A
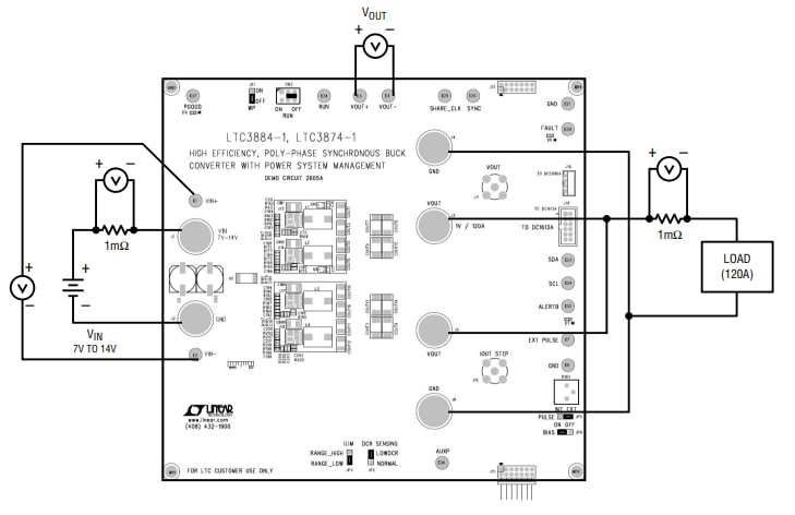
Analog Devices Inc. LTC3874-1 Demo Board DC2605A is designed to evaluate the performance of the LTC3884-1 Synchronous Buck Converter. This Demo Board features the LTC3884-1 paired with a slave controller LTC3874-1 to provide a 4-phase buck converter solution. The Demo Board powers up to default settings and produces power based on configuration resistors or with non-volatile memory without any serial bus communication. This enables easy evaluation of the DC-DC converter.Features
- 7V to 14V input voltage
- 1V output voltage
- 120A maximum output current
- 90.2% maximum efficiency
- 92.2% peak efficiency
- 425kHz default switching frequency
Measurement Equipment Setup
Publicado: 2019-07-16
| Actualizado: 2024-03-05
