Analog Devices Inc. LTC6810 6-Channel Multi-Cell Battery Monitor
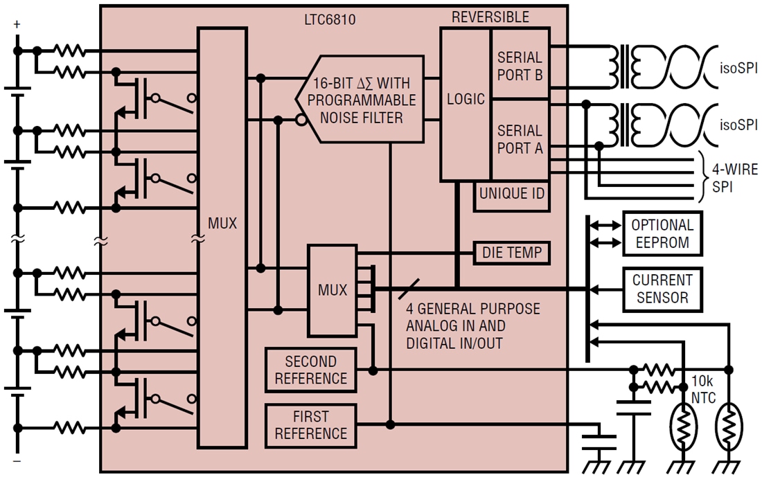
Analog Devices LTC6810 6-Channel Multi-Cell Battery Monitor measures up to six series-connected battery cells with a total measurement error of less than 1.8mV. The cell measurement range of 0V to 5V makes the LTC6810 suitable for most battery chemistries. All six cells can be measured in 290μs, and lower data acquisition rates can be selected for high noise reduction. Multiple Analog Devices LTC6810-1 devices can be connected in series, permitting simultaneous cell monitoring of long, high-voltage battery strings. Each LTC6810 has an isoSPI™ interface for high-speed, RF-immune, long-distance communications. Using the LTC6810-1, multiple devices are connected in a daisy chain with one host processor connection for all of the devices. The LTC6810-1 supports bidirectional operation, allowing communication even with a broken wire. Using the LTC6810-2, multiple devices are connected in parallel to the host processor with each device individually addressed.The LTC6810 can be powered directly from the battery stack or an isolated supply. The LTC6810 includes passive balancing for each cell, with PWM duty cycle control for each cell, and the ability to perform redundant cell measurements. Other features include an onboard 5V regulator, 4 general-purpose I/O lines, and a sleep mode in which current consumption is reduced to 4μA.
Features
- Measures up to six battery cells in series
- 1.8mV maximum total measurement error
- Stackable architecture supports 100s of cells
- Built-in isoSPI interface
- 290μs to measure all cells in a system
- 1Mb isolated serial communications
- Uses single twisted pair, up to 100m
- Low EMI susceptibility and emissions
- Bidirectional for broken wire protection
- Guaranteed performance down to 5V
- Performs redundant cell measurements
- Engineered for ISO 26262-compliant systems
- Passive cell balancing with programmable pulse width modulation
- Four general-purpose digital I/O or analog inputs
- Temperature or other sensor inputs
- Configurable as an I2C or SPI master
- 4μA sleep mode supply current
- 44-lead SSOP package
Applications
- Electric and hybrid electric vehicles
- Backup battery systems
- Grid energy storage
- High-power portable equipment
Typical Application
Videos
Publicado: 2019-07-24
| Actualizado: 2024-03-01
