Analog Devices Inc. EVAL-ADM3067EEBZ Evaluation Board
Analog Devices EVAL-ADM3067EEBZ Evaluation Board is designed to evaluate the performance of ADM3067E 50Mbps, RS-485 transceiver. This evaluation board offers IEC ESD protection on the RS-485 A and B bus pins with test points for measuring all the signals. The EVAL-ADM3067EEBZ evaluation board features jumper selectable enable/disable for RE and DE and resistors with footprints for termination and biasing networks. This evaluation board is powered by a standard configurable bench power supply within 3.0V to 5.5V supply voltage.Features
- Easy evaluation of ADM3067E 50Mbps, RS-485 transceiver
- Board layout for standard, full-duplex, RS-485 footprint
- Screw terminal blocks for logic input/output and RS-485 signals
- Jumper-selectable enable/disable for RE and DE
- Test points for measuring all signals
- Resistors and footprints for termination and biasing networks
Specifications
- 14-lead SOIC
- ±12kV contact discharge and ±12kV air discharge
- 3V to 5V supply voltage range
Required Equipment
- Oscilloscope
- Signal generator
- 3V to 5V supply
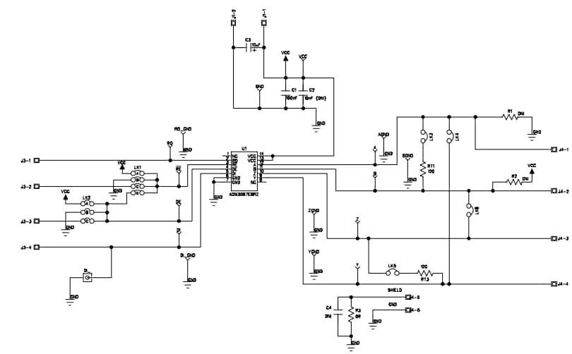
Schematic
Publicado: 2019-05-13
| Actualizado: 2024-01-05
