Analog Devices / Maxim Integrated MAX14940 Half-Duplex PROFIBUS/RS-485 Transceiver

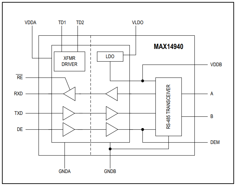
Analog Devices MAX14940 20Mbps Half-Duplex PROFIBUS/RS-485 Transceiver is an isolated RS-485/PROFIBUS DP transceiver that provides 2750VRMS (60s) of galvanic isolation. This isolation is provided between the cable side (RS-485 driver/receiver side) and the UART side of the device. The isolation improves communication by breaking ground loops and reduces noise when there are large differences in ground potential between ports. This device allows for robust communication up to 20Mbps. The device includes an integrated 450kHz transformer driver for power transfer to the cable side of the transceiver using an external transformer. An integrated LDO provides a simple, space-efficient way of designing an isolated DC/DC supply.

The Analog Devices MAX14940 Half-Duplex PROFIBUS/RS-485 Transceiver is available in a wide-body 16-pin SOIC package and operates over the -40°C to +105°C temperature range.

Features

  • High integration simplifies designs
    • Integrated LDO for cable-side power
    • Integrated transformer driver for power transfer to cable side has up to 80% efficiency at 150mA load
  • High-performance transceiver enables flexible designs
    • Compliant with RS-485 EIA/TIA-485 and EIA 61158-2 Type 3 PROFIBUS-DP standards
    • 20Mbps (max) data rate
    • Up to 128 devices on the bus
  • Safety regulatory approvals
    • UL according to UL1577
    • cUL According to CSA Bulletin 5A
  • Integrated protection for robust communication
    • ±35kv ESD (HBM) on driver outputs/receiver inputs
    • 75kVRMSwithstand isolation voltage for 60s (VISO)
    • 630VPEAKmaximum repetitive peak-isolation voltage (VIORM)
    • 445VRMSmaximum working-isolation voltage (VIOWM)
    • > 30 years lifetime at rated working voltage
    • Withstands ±10kV surge per IEC 61000-4-5
    • Thermal shutdown
  • Physical characteristics
    • -40°C to +105°C temperature range
    • SOIC-16 (W) package

Applications

  • HVAC
  • Industrial automation equipment
  • Power meters
  • Programmable logic controllers

Block Diagram

Block Diagram - Analog Devices / Maxim Integrated MAX14940 Half-Duplex PROFIBUS/RS-485 Transceiver
Publicado: 2016-03-24 | Actualizado: 2023-04-12