Analog Devices / Maxim Integrated MAX17612BEVKIT Evaluation Kit

Analog Devices MAX17612BEVKIT Evaluation Kit is a fully assembled circuit board that evaluates the MAX17612B, a 4.5V to 60V current limiter with OV and UV protection in a 10-pin TDFN-EP package. The MAX17612BEVKIT features a TVS diode across the input, a Schottky diode across the output terminals, and a proven PBC layout. The Analog Devices MAX17612BEVKIT Evaluation Kit can be configured to support adjustable overvoltage, undervoltage, different current-limit types, and different current-limit thresholds.

Features

  • 4.5V to 60V operating-voltage range
  • Features a TVS diode across the input and Schottky diode across the output terminals
  • Evaluates UVLO, OVLO, three current limit types, and current limit threshold
  • UVLO programmed to 4.5V
  • OVLO programmed to 36V
  • Jumper-configurable current limit (selected as 250mA by default)
  • The current limit mode is set to Autoretry by default
  • Proven PCB layout
  • Fully assembled and tested

Applications

  • Condition monitoring
  • Factory sensors
  • Industrial applications such as PLC, network-control modules, battery-operated modules
  • Process instrumentation
  • Sensor systems
  • Weighing and batching systems

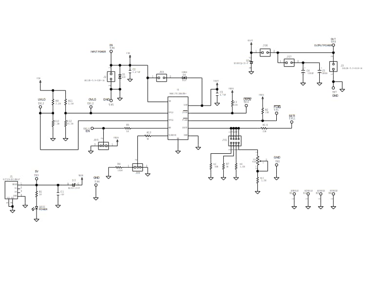
Schematic

Schematic - Analog Devices / Maxim Integrated MAX17612BEVKIT Evaluation Kit
Publicado: 2018-10-26 | Actualizado: 2023-04-24