Analog Devices / Maxim Integrated MAX22200 Solenoid & Motor Driver

Analog Devices Inc. MAX22200 Solenoid and Motor Driver is an octal 36V serial-controlled solenoid driver. ADI MAX2220 features each channel with a low impedance (200mΩ typical) push-pull output stage. It has a sink-and-source driving capability with up to 1ARMS driving current. The serial interface (SPI) supports daisy-chain configurations is provided to individually control each channel. The device half-bridges are configured as low-side drivers or as high-side drivers. Moreover, pairs of half-bridges can be paralleled to double the driving current or can be configured as full-bridges to drive up to four latched valves (bi-stable valves) or four brushed DC motors.

Features

  • Eight Half-Bridges Up To +36V
  • High Performances
    • Low on-resistance: RDS(on) of 200mΩ typical (TA = +25°C)
    • Continuous output current up To 1ARMS per HalfBridge (TA = +25°C)
    • Current-Drive Regulation (CDR)
    • Voltage-Drive Regulation (VDR)
    • Integrated Lossless Current Sensing (ICS)
  • High Flexibility
    • Independent programmable HIT and HOLD currents for each channel (IHIT, IHOLD)
    • Independent programmable HIT current timing for each channel (tHIT)
    • Full-bridge configuration supported
    • Parallel mode supported
  • High-speed serial interface (SPI)
  • 5MHz daisy-chain configuration
  • 10MHz without daisy chain
  • Protections and Diagnostic
    • Overcurrent Protection (OCP)
    • Open-Load detection (OL)
    • Detection of Plunger Movement (DPM)
    • Undervoltage Lockout (UVLO)
    • HIT Current Not Reached (HHF)
    • Thermal Shutdown T = +145°C (TSD)
    • Fault registers for diagnostic purposes
  • Integration:
    • TQFN-32 5mm x 5mm package

Applications

  • Relay driver
  • Solenoid, valves, electromagnetic drivers
  • Generic low-side and high-side switch applications
  • Latched (Bi-Stable) solenoid valve drivers
  • Brushed DC motor driver

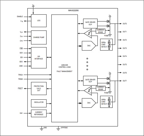
Block Diagram

Block Diagram - Analog Devices / Maxim Integrated MAX22200 Solenoid & Motor Driver

Videos

Publicado: 2021-05-04 | Actualizado: 2023-04-13