Analog Devices / Maxim Integrated MAX22256 H-Bridge Transformer Drivers
Analog Devices MAX22256 H-Bridge Transformer Drivers provide a simple solution for making isolated power supplies over 15W. The devices drive a transformer's primary coil with up to 650mARMS of current from a wide 5V to 36V DC supply. The Analog Devices MAX22256B/C drovers are optimized for LLC-type resonant topology, improving efficiency, and reducing switching noise.Features
- Simple, flexible design
- 5V to 36V supply range
- Up to 91% efficiency
- Provides over 15W to a transformer
- Undervoltage lockout
- Internal or external clock source
- Synchronous clock output (MAX22258)
- Programmable overcurrent threshold
- 30ns to 200ns adjustable deadtime (MAX22258)
- Robust integrated system protection
- Fault detection and indication
- Overcurrent limiting up to 1A
- Over-temperature protection
- Precision internal clock source (±6%) prevents excessive transformer core losses due to frequency shift
- -40°C to +125°C wide temperature range
- Space savings
- Small 3mm x 3mm 10-pin TDFN package (MAX22256A/B/C) with 0.5mm pitch
- Small 4mm x 5mm 14-pin TSSOP package (MAX22258) with 0.65mm pitch
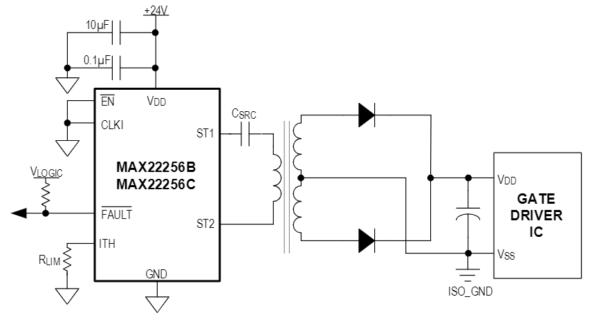
Block Diagram
Publicado: 2022-11-29
| Actualizado: 2023-04-13
