Analog Devices / Maxim Integrated MAX25308 Low-Noise LDO Linear Regulators
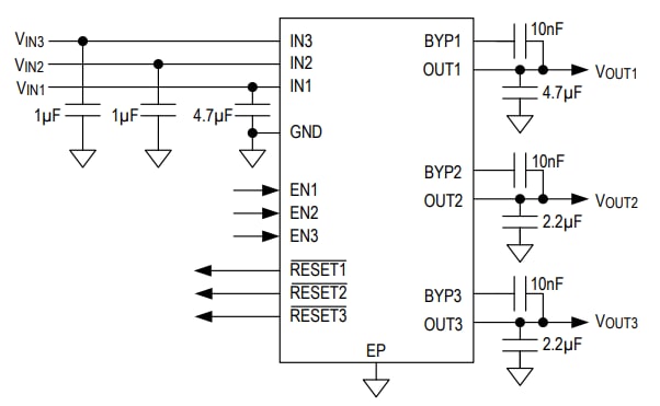
Analog Devices MAX25308 Low-Noise LDO Linear Regulators are a two/three output linear regulator family that delivers up to 600mA on channel 1 and up to 300mA on channels 2 and 3. The regulators have only 37µVRMS of output noise from 10Hz to 100kHz. These regulators maintain ±1.25% output accuracy over a wide input voltage range. They require only 155mV (max) of input-to-output headroom at full load. The 1.95mA maximum no-load supply current is independent of dropout voltage. Each output is factory programmable between 0.6V to 3.7875V in 12.5mV steps. No external components are needed except for the input, output, and bypass capacitors. Each output has an independent enable input and RESET output.Features
- 1.7V to 5.5V input voltage range
- Factory selectable output voltage of 0.6V to 3.7875V in 12.5mV steps
- 37μVRMS output noise, 10Hz to 100kHz
- 1.95mA (Max) operating supply current
- 70dB PSRR at 10kHz
- 600mA maximum output current (OUT1)
- 300mA maximum output current (OUT2/3)
- ±1.25% DC accuracy over load, line, and temperature
- 155mV (Max) dropout at IMAX1/2/3 load (3.3VIN)
- < 1µA shutdown supply current
- Overcurrent and overtemperature protection
- Output-to-input reversed current protection
- Individual RESET outputs
- 3mm x 3mm 16 pin TQFN package
- -40ºC to 125ºC Grade 1 automotive temperature range
Applications
- Infotainment systems
- Point of load
- Advanced Driver-Assistance Sytems (ADAS)
Simplified Block Diagram
Publicado: 2021-06-03
| Actualizado: 2023-04-12
