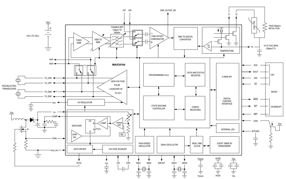
Analog Devices / Maxim Integrated MAX35104 Gas Flow Meter SoC
Analog Devices MAX35104 Gas Flow Meter SoC is targeted as an analog front-end solution for the ultrasonic gas meter and medical ventilator markets. With a time measurement accuracy of 700ps and automatic differential Time-of-Flight (ToF), the Analog Devices MAX35104 makes for simplified computation of gaseous flow. The power consumption is the lowest available with ultra-low 62µA ToF measurement and 125nA duty-cycled temperature measurement. Multi-hit (up to six per wave) capability with stop-enable windowing allows the device to be fine-tuned for the application. Internal analog switches, a configurable three-stage integrated operational amplifier chain amplifier, and an ultra-low input offset comparator provide the analog interface and control for a minimal electrical bill of material solution.Features
- High Accuracy Flow Measurement for Billing and Leak Detection
- Time-to-Digital Accuracy Down to 700ps Measurement Range Up to 8ms
- 2 Channels: Single-Stop Channel
- High Accuracy Temperature Measurement for Precise Flow Calculations
- One 2-Wire Sensor: PT1000, PT500 RTD, and Thermistor Support
- Maximizes Battery Life with Low Device and Overall System Power
- Ultra-Low 62µA TOF Measurement and 125nA Duty-Cycled Temperature Measurement
- Event Timing Mode with Randomizer Reduces Host µC Overhead to Minimize System Power Consumption
- 2.3V to 3.6V Single-Supply Operation
- High Integration Solution Minimizes Parts Count and Reduces BOM Cost
- Built-In Real-Time Clock
- Small, 5mm x 5mm, 40-Pin TQFN Package
- -40°C to 85°C operating temperature range
Applications
- Ultrasonic Gas Meters
- Medical Ventilators
MAX35104 Block Diagram
Publicado: 2017-06-21
| Actualizado: 2023-04-17
