APEM 5E SH9 Multimec Tactile Switches

APEM 5E SH9 Multimec™ Tactile Switches offer high-performance, large-diameter snap-on cap retention systems and an actuator out of the switch body. These switches feature single pole/momentary, NORMALLY OPEN (NO) or NORMALLY CLOSED/NORMALLY OPEN (NCNO), and Through-Hole (TH) or Surface Mount (SMD) or right angel through-hole. These switches consist of 3 standard actuation forces (2.0N, 3.5N, and 6.5N), IP67 sealing, and are available in high-temperature material.

Features

  • Through-Hole (TH) or Surface Mount (SMD) or right angle
  • 50mA/24VDC recommended load
  • -40°C to 160°C working temperature range
  • Single pole/momentary
  • 10,000,000 operations lifetime (NO function)
  • NO or NCNO
  • IP 67 sealing
  • 2.0N, 3.5N, 6.5N, or NC/NO standard actuation force
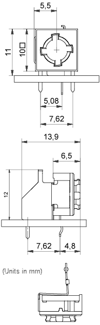
  • 10mm x 10mm x 6.4mm size
  • RoHS compliant

5E Right Angle Switches

Mechanical Drawing - APEM 5E SH9 Multimec Tactile Switches
Publicado: 2023-08-08 | Actualizado: 2023-09-05