Arduino ABX00131 Stella
Arduino ABX00131 Stella redefines location tracking with the advanced microcontroller, the Nordic Semiconductor nRF52840, and the Truesense DCU040 Ultra-Wide Band (UWB) module. Tailored for modern tracking needs, the Stella excels in pinpointing warehouse assets, ensuring healthcare safety, and automating smart buildings. The Arduino ABX00131 Stella can seamlessly integrate with the Portenta UWB Shield and UWB-enabled smartphones. Connect via the dedicated NXP Trimension App, Apple's Nearby Interaction APIs, or Android's UWB Jetpack library. This board delivers robust finder functionality, precise point-to-point triggering, and comprehensive tracking capabilities for applications demanding reliable, real-time location data.Features
- Nordic Semiconductor nRF52840 32-bit Arm® Cortex®-M4 CPU with floating point unit running at 64MHz
- BLUETOOTH® 5, IEEE 802.15.4-2006, 2.4GHz transceiver
- 1MB Flash and 256kB RAM
- ARM TrustZone® CryptoCell cryptographic unit
- UART, SPI, TWI, PDM, I2S, QSPI, PWM, 12-bit ADC, NFC-A, and USB 2.0
- UWB CH5/CH9 and Bluetooth 5.0 connectivity
- USB Type-C® port for power and data
- Truesense DCU040 UWB module
- Based on the NXP Trimension™ SR040 UWB IC, with power management, clock control, filters, and peripheral components
- 2-way ranging, achieving an accuracy of <±10cm
- 6.24GHz to 8.24GHz frequency range
- 14.7dBm maximum output power (EIRP)
- SC7A20 3-axis MEMS digital output accelerometer
- ±2G, ±4G, ±8G, and ±16G scale ranges (user-selectable)
- 6D/4D orientation, free-fall, single/double click, and motion detection
- Programmable interrupt generator
- Embedded self-test
- Embedded FIFO memory
- 10,000G durability (high shock survivability)
- Low power mode consumption (down to 2µA)
- FUET-5020 buzzer
- 4kHz frequency
- 75dB sound level at 10cm
- 5.0mm x 5.0mm x 2.0mm size
- Power supply options
- USB Type-C port
- Single-cell CR2032 battery
- External power supply connected through a J-Link connector
- Peripherals
- 1x buzzer
- 1x I2C on QWIIC connector
- 1x reset button
- 1x user-programmable button
- 1x user-programmable LED
- JTAG/SWD debug port
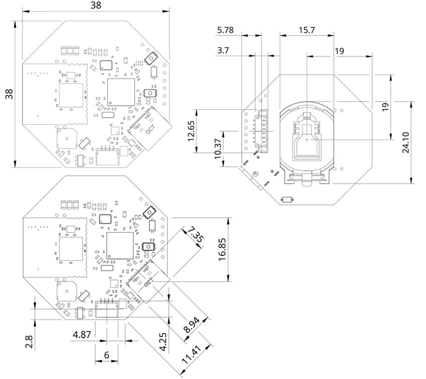
- 38mm x 38mm size
Applications
- High-precision RTLS
- Industrial
- Asset tracking and management
- Warehouse management
- Equipment monitoring
- Retail inventory
- Healthcare
- Medical equipment tracking
- Patient monitoring
- Staff workflow optimization
- Smart home/building automation
- Personalized environment control
- Occupancy analytics
- Contactless access
- Consumer
- Item finding
- Proximity-based triggers
- Interactive entertainment
- Finders for IoT
Specifications
- 5.0V typical operating USB supply input voltage
- 2.0V to 3.3V operating battery supply input voltage
- 3.0V to 3.6V operating J-link supply input voltage
- -20°C to +70°C operating temperature range
- Typical current consumption
- 7mA normal mode with BLE advertising, 10Hz frequency, 100ms
- 10.6mA normal mode with UWB ranging, 5Hz frequency, 200ms
Pinout
Videos
BLock Diagram
Power Supply
Dimensions: mm
Publicado: 2025-07-24
| Actualizado: 2025-09-11
