Bosch BMI323 6-Axis Inertial Measurement Unit (IMU)

Bosch BMI323 6-Axis Inertial Measurement Unit (IMU) combines precise acceleration and angular rate (gyroscopic) measurement with intelligent on-chip motion-triggered interrupt features. The 6-axis IMU comprises a 16-bit triaxial gyroscope, a 16-bit triaxial accelerometer, and a 16-bit digital temperature sensor in a single chip.

The BMI323 offers fast and accurate inertial sensing in all applications. The BMI323 Sensor features a self-calibrating gyroscope using motionless CRT (component re-trimming) functionality to compensate MEMS typical soldering drifts, reducing post soldering sensitivity errors to ±0.7%. The device includes embedded gesture and activity recognition with an integrated plug-and-play step counter/detector optimized for accurate step counting in wrist-worn devices. The IMU is well-suited for other types of wearable devices, such as hearables, smart fitness trackers, and other mobile devices.

The BMI323 IMU is optimized for embedded consumer electronics devices. The Sensor has very wide ranges for VDD and VDDIO supply voltages. The performance and the current consumption are stable over the whole voltage supply range. BMI323 features I2C, I3C, and SPI digital interfaces.

The BMI323 features a 2kB on-chip FIFO buffer and provides synchronized data. It supports the following features for always-on applications (e.g., activity, action, and gesture recognition) using the IMU ultra-low power domain:

  • Motion detection
  • Step detector
  • Plug and Play step counter
  • Orientation, flat
  • Single tap, double tap, and triple tap detection

The sensor API can optimize the embedded feature set for wearable, hearable, and mobile device contexts.

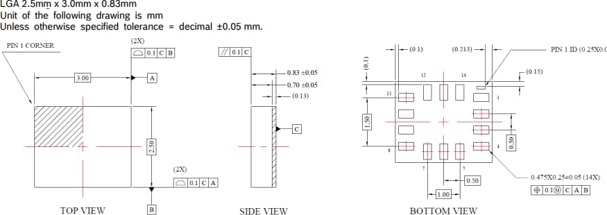
The Bosch BMI323 Inertial Measurement Unit is offered in a miniature 2.5mm x 3.0mm x 0.83mm LGA package, ideal for space-constrained applications.

Features

  • Digital resolution
    • 16-bit Accelerometer
    • 16-bit Gyroscope
  • Resolution
    • 16-bit or 0.06mg/LSB Accelerometer
    • 16-bit or 0.004dps/LSB Gyroscope
  • Measurement range and sensitivity (calibrated)
    • ±2g at 16384LSB/g, ±4g at 8192 SB/g, ±8g at 4096LSB/g, ±16g at 2048LSB/g Accelerometer
    • ±125°/s at 262.1LSB/°/s, ±250°/s at 131.1LSB°/s, ±500°/s at 65.5LSB/°/s, ±1000°/s at 32.8LSB/°/S, ±2000°/s at 16.4LSB°/s Gyroscope
  • Zero offset (typical over lifetime)
    • ±50mg Accelerometer
    • ±1°/s Gyroscope
  • TCO
    • ±0.3mg/K Accelerometer
    • ±0.04°/s/K Gyroscope
  • Noise density (typical)
    • 180pg/√Hz Accelerometer
    • 0.007°/√Hz Gyroscope
  • Bandwidths (programmable)
    • 6.2Hz to 1677Hz Accelerometer
    • 6.2Hz to 563Hz Gyroscope
  • 12.5Hz to 6.4kHz selectable output data rate
  • 2kB on-chip FIFO buffer
  • SPI, I2C, I3C digital input/output options
  • Supply voltage
    • 1.71V to 3.63V (VDD)
    • 1.08V to 3.63V (VDDIO)
  • -40°C to+85°C operating temperature range 
  • 790µA current consumption (high-performance mode, A+G) 
  • Backward compatible (pin-to-pin) with the BMI160 and BMI270 IMUs
  • 2.5mm x 3.0mm x 0.83mm LGA-14 package

Applications

  • Target applications
    • Device orientation
    • Mobile sensing
    • Gesture recognition
    • Fitness Tracking
    • Activity and context recognition
    • Stabilization
    • Motion control
  • Target devices
    • Notebooks and tablets
    • Wearable devices such as smartwatches and fitness devices
    • Game controllers and smart remote controls
    • Toys and gadgets
    • Smart IoT devices

Pin Designations

Location Circuit - Bosch BMI323 6-Axis Inertial Measurement Unit (IMU)

Package Outline

Mechanical Drawing - Bosch BMI323 6-Axis Inertial Measurement Unit (IMU)
Publicado: 2022-09-20 | Actualizado: 2023-05-17