Broadcom AEAT-901B Incremental Magnetic Encoders

Broadcom AEAT-901B Incremental Magnetic Encoders provide an integrated solution for angular detection within a complete 360° rotation. These encoders use magnetic technology for motion control and sensing activities, which helps eliminate mechanical contact and free the device from mechanical wear and tear. The AEAT-901B magnetic encoders feature 256 to 10,000 Cycles Per Revolution (CPR) resolution, a -40°C to 125°C operating wide temperature range, and a 5V single supply. These magnetic encoders also feature a 3-channel output that provides an additional index channel for every full rotation or revolution of 360°. The AEAT-901B magnetic encoders support direct connectivity through cable output and are easy to assemble without any signal adjustment. These magnetic encoders are RoHS-compliant and ideal for speed detection, knob control, and rotary encoder.

Features

  • Resolution of 256 to 10,000 Cycles Per Revolution (CPR)
  • Contactless sensing technology
  • -40°C to 125°C wide temperature range
  • 3-channel output
  • Single 5V supply
  • Easy assembly and no signal adjustment required
  • Direct connectivity through cable output
  • RoHS compliant

Applications

  • Speed detection
  • Knob control
  • Rotary encoder

Dimension Diagram

Mechanical Drawing - Broadcom AEAT-901B Incremental Magnetic Encoders

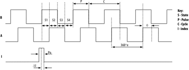
Encoding Characteristic

Performance Graph - Broadcom AEAT-901B Incremental Magnetic Encoders
Publicado: 2024-09-05 | Actualizado: 2025-03-13