CUI Inc VOF-280B AC-DC Power Supplies
CUI Inc VOF-280B AC-DC Power Supplies are open-frame and U-frame AC-DC power supplies in a 3" x 5" chassis-mount package. These CUI Inc models feature a 90VAC to 264VAC universal input voltage range, a wide operating temperature range (-20°C to +70°C with derating), and 200W power with natural convection and 280W with forced air cooling. The efficient performance and compact size of the VOF-280B power supplies make them an ideal solution for a range of consumer, industrial, and information/communication technology (ICT) applications.
Features
- Chassis-mount devices with open-frame and U-frame versions
- 200W with natural convection, 280W with forced air cooling
- Certified to
- EN/UL 62368-1
- EN 55011/EN 55032
- 90VAC to 264VAC universal input range
- 5V standby and 12V fan outputs
- Output short-circuit, over-current, over-voltage, and over-temperature protection
- 5000m operating altitude
- -20°C to +70°C operating temperature range with derating
- Remote ON/OFF control
Applications
- Consumer
- Industrial
- ICT
Specifications
- 12VDC to 54VDC output voltage range
- 280W maximum output power
- 5.18A to 23.33A maximum output current range
- 150mVp-p to 400mVp-p maximum ripple and noise range
- 91% typical efficiency
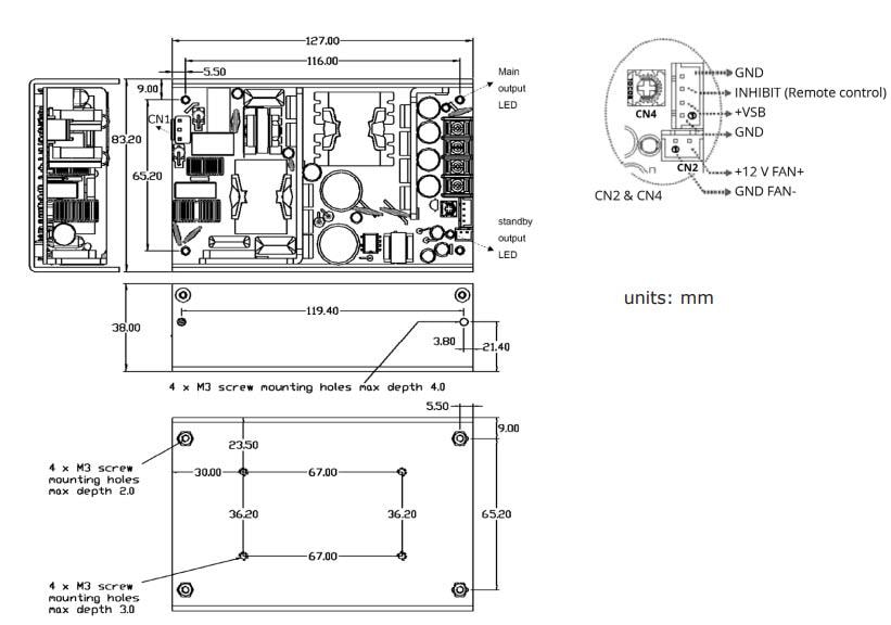
Open-Frame Mechanical Drawing
U-Frame Mechanical Drawing
Publicado: 2025-02-14
| Actualizado: 2025-12-12
