Diodes Incorporated PI3USB9281C USB Port Protection IC
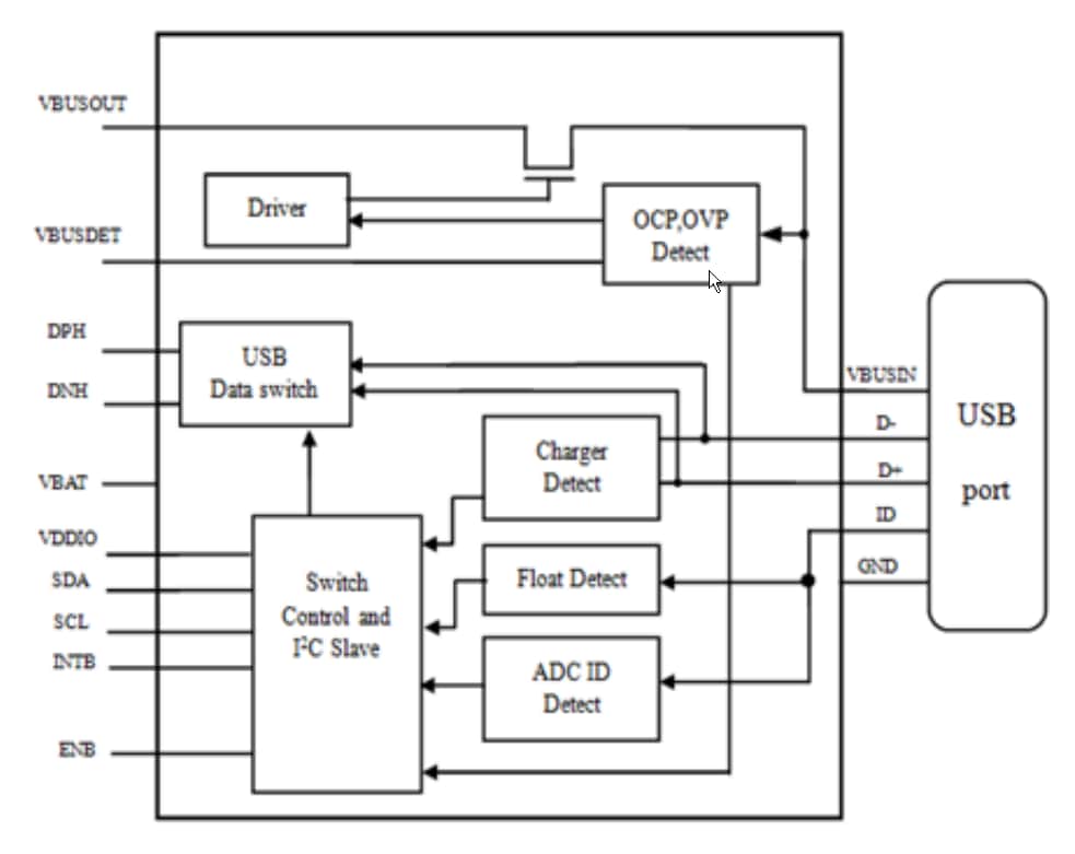
Diodes Incorporated I3USB9281C USB Port Protection IC provides external detection for any USB device. This port protection IC detects various available chargers, MHL accessories, On-The-Go (OTG) accessories, and car chargers per the CEA936 spec. The PI3USB9281C USB port IC also integrates a power switch with over-voltage and over-current protection. Diodes Incorporated PI3USB9281C port IC with VBUSIN input pin can tolerate voltages up to 28V, which is important for USB3.0 PowerDelivery enabled ports. The PI3USB9281C USB port IC operates at a -40°C to 85°C temperature range.The PI3USB9281C IC is a battery management multi-function controller including a USB 2.0 port protector with charger detection. Typical applications include portable and consumer applications such as tablets, smartphones, digital cameras, and notebooks with integrated Li-ion batteries that charge via USB connectors.
Features
- USB-device charger detector
- Can tolerate USB3.0-PD with VBUS = 20V
- USB charging-type detection
- Battery charging 1.2 (BC1.2) – DCP
- Battery charging 1.2 (BC1.2) – CDP
- Battery charging 1.2 (BC1.2) – SDP
- Apple 1A, 2A, and 2.4A dedicated chargers
- Samsung-fast chargers
- YD/T-1951 dedicated chargers
- CEA-936 Carkit#1 and #2 chargers
- Integrated power FET
- VBUS tolerance up to 28V
- 1.7A Over-Current Protection (OCP)
- VBUS Over-Voltage Protection (OVP)
- Non-charging accessory detection
- USB OTG detection
- Mobile HDMI Link (MHL) device detection
- Wide supply voltage range 3V to 5.5V
- I2C programmability
- Small package:
- CSP 1.5 x 2.0-15L
- UQFN 3mm x 4mm x 0.5mm 20L
Applications
- Personal media players
- Mobile phones
- Tablet
- Smartphones
- Digital cameras
- Notebooks
Block Diagram
Publicado: 2018-06-07
| Actualizado: 2022-09-29
