Diodes Incorporated ZXMS81045SP IntelliFET® High-Side Power Switch

Diodes Incorporated ZXMS81045SP IntelliFET® High-Side Power Switch combines protective and diagnostic functions in a SO-8EP (Type E) exposed heatsink package. The ZXMS81045SP offers a monolithic N-channel vertical power MOSFET with integrated temperature and current sensors with a charge-pumped gate supply. It has a low quiescent current in the OFF state. The switch is enabled by active high 3.3V and 5V logic level drive to the inputs.

The Diodes Inc ZXMS81045SP features a diagnostic current-sense output proportional to load current and a defined diagnostic fault signal in case of overload operation, overtemperature, short-circuit, or open load conditions.

Features

  • Protection functions
    • Reverse battery protection using external components
    • Voltage-dependent current limiting
    • Overtemperature protection with auto-restart
    • Overvoltage protection, including load dump
    • Stable undervoltage protection
    • ESD protection
    • Loss of ground protection with external components
    • Enhanced short-circuit protection
  • Defined fault signal in case of overload operation, overtemperature, or short-circuit
  • Diagnostic functions
    • Proportional load current-sense output
      • Linear voltage drop regulation to maintain sense accuracy even at very low load currents
      • Enabled by a logic input
      • Defined temperature and current dependency
    • Open-load detection
      • Using load current-sense in ON state
      • Using output voltage detection in the OFF state

Applications

  • High-side switching with diagnostic feedback for:
    • 12V grounded loads
    • Resistive, inductive, and capacitive loads
  • Suitable for high inrush current loads
    • Incandescent lamps (P27W/P21W), motors, etc.
  • Compact low-power replacement for:
    • Relays, fuses, and discrete circuits

Specifications

  • 5V to 28V operating voltage
  • 41V maximum supply voltage
  • 90mΩ maximum ON resistance, Tj = +150°C
  • 4A nominal load current
  • 1200 typical current sense ratio
  • 25A minimum current limitation
  • 0.5µA maximum standby current, Tj = +25°C

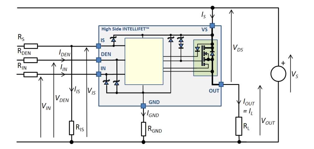
Typical Application Circuit

Application Circuit Diagram - Diodes Incorporated ZXMS81045SP IntelliFET® High-Side Power Switch

Functional Block Diagram

Block Diagram - Diodes Incorporated ZXMS81045SP IntelliFET® High-Side Power Switch
Publicado: 2023-03-29 | Actualizado: 2023-03-31