E-Switch TL3220 Tactile Switches
E-Switch TL3220 Tactile Switches are low-profile surface-mount switches with RGB illumination. The gold contacts of these E-Switch tact switches deliver a 100,000-cycle life expectancy. The TL3220 can operate from -40°C to +85°C while offering protection against dust and solid objects at an IP5X rating.
Features
- RGB illumination
- Low-profile package
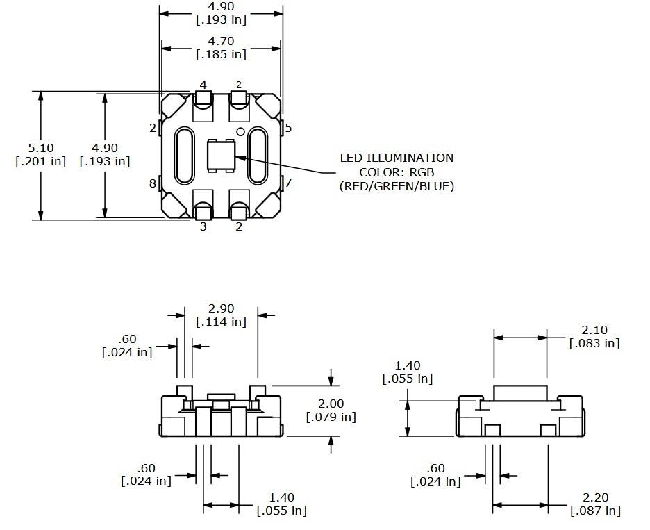
- 4.90mm x 4.90mm outline
- Surface-mount design
- Tape-and-reel packaging
Applications
- Industrial
- Telecommunications
- Audio/visual
- Medical
Specifications
- SPST switch
- 12VDC contact rating at 50mA
- 500mΩ maximum contact resistance
- 100MΩ insulation resistance at 500VDC
- 250VAC dielectric strength for 1 minute
- 100,000 cycles of electrical and mechanical life
- -40°C to +85°C operating temperature range
- 0.20mm travel
- IP5X moisture protection
- 160±50gf actuation force
- 5ms maximum bounce
Schematic
Dimensions
Panel Cutout
Publicado: 2026-02-12
| Actualizado: 2026-02-27
