EDATEC ED-CM5ACOOLER Active Cooler for Raspberry Pi CM5
EDATEC ED-CM5ACOOLER Active Cooler for Raspberry Pi CM5 provides excellent cooling performance to reduce the temperature of Raspberry Pi CM5 CPUs, Wi-Fi® modules, and power management chips. The EDATEC ED-CM5ACOOLER features an active cooler with a temperature-controlled blower fan and is pre-installed with thermally conductive silicone. This aluminum-profile, easy-to-install EDATEC cooler features dimensions of 56.5mm width x 41mm depth x 14.1mm height.Features
- Aluminum profile, CNC cut, easy to install
- Active cooler with a temperature-controlled blower fan and pre-installed with thermally conductive silicone
- 56.5mm x 41mm x 14.1mm (WxDxH) dimensions
- Excellent cooling performance to reduce the temperature of Raspberry Pi CM5 CPUs, Wi-Fi modules, and power management chips
Specifications
- 27°C temperature reduction under test conditions at +25°C and stable state performance, allowing the Raspberry Pi CM5 to run continuously at a 2400MHZ frequency
- 5VDC (3.5V to 5.5V range) input voltage supplied via a four-pin fan header on a motherboard
- ≥3.5V (power On/Off) start voltage
- 0.75W power consumption
- 0.15±0.02A rated current
- Pulse width modulation control with tachometer fan speed control
- 8000RPM ±15% maximum fan speed (at +25C, after 3-5 minutes rotating)
- 1.09CFM maximum airflow
- 27.7dB noise
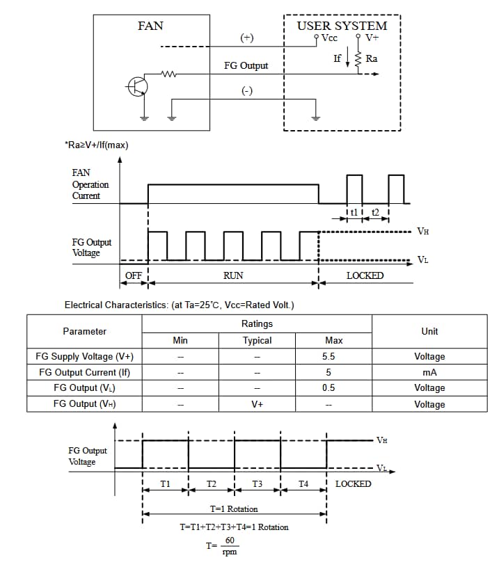
FG Signal for Temperature-Controlled Blower
PWM Control Signal for Blower
Publicado: 2025-03-06
| Actualizado: 2025-03-13
