Infineon Technologies TLE8110ED Power Switch IC

Infineon TLE8110ED Power Switch IC is a 10-channel low-side switch in Smart Power Technology (SPT) with Serial Peripheral Interface (SPI) and 10 open-drain DMOS output stages. The output stages are controlled via parallel input pins for Pulse Width Modulation (PWM) use or SPI interface. The TLE8110ED is equipped with 10-parallel input pins that are routed to each output channel and allows control of the channel for loads driven by PWM. This power switch features a central clamping structure, 16-bit SPI interface, compact control, safe communication, overvoltage, overtemperature, and ESD protection. The TLE8110ED power switch IC is protected by embedded protection functions and designed for automotive and industrial applications.

Features

  • Over-voltage, over-temperature, and ESD-protection
  • Direct parallel PWM control of all channels
  • Safe communication (SPI and Parallel)
  • Efficient communication mode called compact control
  • Compatible with 3.3V and 5V microcontrollers I/O ports
  • Central clamping structure called clampSAFE for highly-efficient parallel use of the channels
  • Green Product (RoHS compliant)
  • Completely lead-free
  • AEC-qualified

Applications

  • Power switch automotive
  • Industrial systems switching solenoids
  • Relays
  • Resistive loads

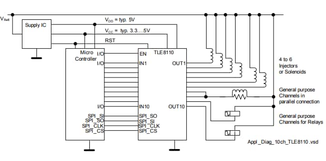
TLE8110ED Block Diagram

Block Diagram - Infineon Technologies TLE8110ED Power Switch IC
Publicado: 2018-05-25 | Actualizado: 2022-08-08