Infineon Technologies BGT60LTR11x XENSIV™ Radar MMIC
Infineon Technologies BGT60LTR11x XENSIV™ 60GHz Radar MMIC is a fully integrated microwave motion sensor optimized in size, including Antennas in Package (AIP) as well as built-in motion and direction of motion detectors. The BGT60LTR11x XENSIV 60GHz Radar Sensors offer a small form factor and low power consumption, creating innovative, intuitive sensing capabilities for many applications.
The Infineon high-end BGT60LTR11x Radar MMIC has one transmitting and three receiving antennas featured in several industrial and consumer applications, including the Google Pixel 4 smartphone. The radar provides an FMCW operation mode spanning an ultrawide bandwidth of 5.5GHz, enabling detection of micro motions in the mm range. These features permit advanced radar sensing, including presence detection, tracking, vital sensing, and gesture control.
The BGT60LTR11AIP 60GHz Doppler Radar Sensor has one transmitting and one receiving antenna. The small motion sensor integrates antennas as well as detectors for motion and direction of motion. The device supports multiple operating modes, including a fully autonomous mode that does not require any software or hardware design-in effort. The BGT60LTR11AIP enables radar technology for everyone since it does not require know-how in RF, antenna design, or radar signal processing on the user side.
Radar has been demonstrated to be a robust sensor for short-range localization in surveillance, lighting, and smart home appliances. Also, the radar is used for vital sign tracking in consumer electronics, healthcare, driver assistance, and industrial applications.
Features
- 3.3mm x 6.7mm x 0.56mm package size
- 1Tx 1Rx Antennas in Package (AIP) with 80° Half Power Beam Width (HPBW)
- Integrated motion detector
- Integrated direction of motion detector
- Multiple modes of operation including a completely autonomous mode
- Adjustable performance parameters such as detection sensitivity, hold time, and frequency of operation
- Standard FR4 material can be used for PCB design
Applications
- Smart Building and Smart Home devices such as thermostats, smoke detectors, smart speakers, and other entertainment systems
- Smart appliances (Small home appliances and major home appliances) such as service robots, vacuum cleaners, lawnmowers, washing machine,s and kitchen appliances
- Smart home security and alarm systems including IP cameras
- Screen-based systems such as TVs, laptops, or tablets
- Lighting systems and lighting control (mainly indoor lighting)
- Room air conditioners
- Automated door openers
- Smart entrance counter solution
- Contactless switches
- Multicopters and drones
Additional Resources
Videos
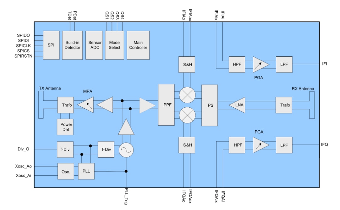
Block Diagram
