M5Stack DualKmeter Temperature Measurement Module 13.2
M5Stack DualKmeter Temperature Measurement Module 13.2 is a dual-channel K-type module based on the MAX31855KASA, stm32f030f4p6, and galvanic isolation. This module has a built-in two-way K-type thermocouple sensor interface, which uses the signal relay to measure the temperature value of the two channels. The DualKmeter module 13.2 offers built-in voltage and signal isolation chips such as CA-IS3020S and B0505LS-1WR2 for the safety and security of the system. This module also provides dial codes on and off, which can easily switch different I2C addresses to meet different application needs.The DualKmeter module 13.2 features Arduino and UIFlow programming platforms and a 32-bit microcontroller with a Cortex-M0 core. This module operates at 0°C to 40°C temperature range and ±2°C measurement accuracy. The DualKmeter module 13.2 is ideally used in industrial automation and instrument detection.
Features
- STM32F030F4P6, a 32-bit microcontroller with Cortex-M0 core
- MAX31855KASA+T: (14Bit ADC, 0.25°C resolution, and ±2% accuracy)
- Supported probe types: K-type supports access probe measuring range from -200°C to 1350°C
- Has galvanic isolation
- Dual K-type thermocouples
- Dial the code to switch the I2C address (default 0x11)
- Arduino, UIFlow programming platform
Kit Contents
- 1 x DualKmeter module 13.2
- 2 x K-type thermocouples
Applications
- Industrial automation
- Instrument detection
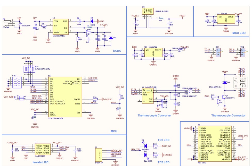
Schematic Diagram
Dimension Diagram
Publicado: 2023-08-09
| Actualizado: 2023-09-25
