Marktech Optoelectronics MTSMx Visible Emitters

Marktech Optoelectronics MTSMx Visible Emitters feature high reliability, high output power, and a hermetically sealed package. These emitters are available in blue, green, and red colors. The MTSMx visible emitters feature 5mm x 5mm and 3mm x 3mm seam welded surface mount packages. These emitters operate at -20°C to 85°C temperature range, 5V reverse voltage, and 0.5A forward current. The MTSMx emitters are used in optical sensors, aerospace, industrial controls, and biomedical applications.

Features

  • High reliability
  • High output power
  • Hermetically sealed package
  • 5mm x 5mm and 3mm x 3mm seam welded surface mount packages

Specifications

  • 5V reverse voltage
  • 0.5A forward current
  • 50mA forward current
  • -20°C to 85°C temperature range
  • -30°C to 100°C storage temperature range

Applications

  • Optical sensors
  • Aerospace
  • Industrial controls
  • Biomedical applications

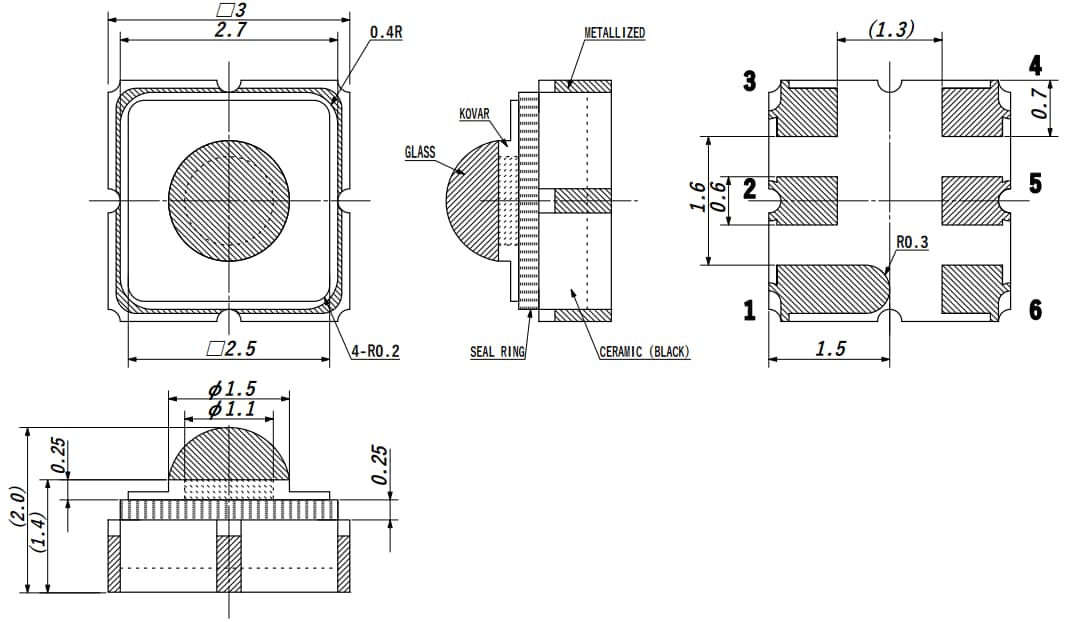
Dimension Diagram

Mechanical Drawing - Marktech Optoelectronics MTSMx Visible Emitters
View Results ( 4 ) Page
N.º de artículo Hoja de datos Longitud de onda Ángulo del haz Vf - Tensión directa Ángulo de visualización
MTSM5201SMR2-UG MTSM5201SMR2-UG Hoja de datos 525 nm 40 deg 2.73 V 80 deg
MTSM3466SMR2-UR MTSM3466SMR2-UR Hoja de datos 660 nm 40 deg 1.7 V 80 deg
MTSM4047SMR1-UB MTSM4047SMR1-UB Hoja de datos 470 nm 15 deg 2.85 V 30 deg
MTSM4501SMR2-UB MTSM4501SMR2-UB Hoja de datos 450 nm 50 deg 2.65 V 100 deg
Publicado: 2024-02-07 | Actualizado: 2024-03-12