Micro Commercial Components (MCC) SICW400N170A 1700V SiC MOSFET

Micro Commercial Components (MCC) SICW400N170A 1700V SiC MOSFET features 400mΩ ultra-low on-resistance and helps in minimizing conduction losses and ramping up energy efficiency in power applications. This SiC MOSFET exhibits exceptional thermal stability and can operate at a high junction temperature (up to +175°C), ensuring reliable operation in harsh and challenging conditions. The high blocking voltage capability of 1700V and low capacitance enable high-speed switching, improving performance in frequency-sensitive applications. The SICW400N170A MOSFET is available in a durable TO-247AB package that is suitable for diverse power system designs and applications. Typical applications include solar inverters,  Power Factor Correction (PFC), EV charging stations, high-efficiency power supplies for PCs and servers, and renewable energy systems.

Features

  • High blocking voltage capability (1700V)
  • Ultra-low on-resistance (400mΩ) enhances efficiency
  • Low capacitance enables faster switching
  • SiC MOSFET technology
  • Excellent thermal stability
  • High operating junction temperature (to 175°C)
  • -55°C to 175°C operating junction temperature range 
  • Standard TO-247AB package
  • Halogen-free “Green” device 
  • Epoxy meets UL 94 V-0 Flammability eating
  • Lead-free finish/RoHS-compliant

Applications

  • Industrial:
    • High-voltage power converters
    • EV charging stations
    • Welding equipment
  • Renewable energy:
    • Solar energy systems
    • Energy Storage Systems (ESS)
  • Computing:
    • Uninterruptible Power Supplies (UPS)
    • High-efficiency power supply units for PCs and servers
    • Base station power supplies
    • Network power management systems
Micro Commercial Components (MCC) SICW400N170A 1700V SiC MOSFET

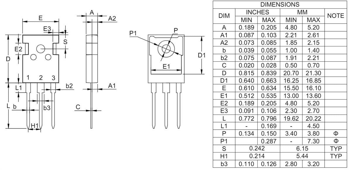
Dimensions

Mechanical Drawing - Micro Commercial Components (MCC) SICW400N170A 1700V SiC MOSFET
Publicado: 2024-02-29 | Actualizado: 2024-03-28