Microchip Technology MCP19215 Evaluation Board (ADM00799)

Microchip Technology MCP19215 MCP19215 Evaluation Board (ADM00799) is a demonstration and development platform for the MCP19215 PWM Controller. The MCP19215 is a dual-channel, mid-voltage (4.5V to 42V) analog-based PWM controller with an integrated 8-bit PIC Microcontroller. This PWM controller combines the strengths of the analog control circuit and integrated digital management that yields a more cost-efficient, configurable, and high-performance power conversion solution. The MCP19215 PWM Controller can be programmed to intuitively respond to faults for robust operation. Dynamic response to measurements or events within the system and dynamic tailoring of operations based on the environment is also programmable.

The Microchip Technology MCP19215 Evaluation Board (ADM00799) demonstrates the function of the MCP19215 during Boost and SEPIC topologies over a wide load range and input voltage. Almost all programming of the operational and control system parameters can be managed through the onboard PIC controller. The MCP19215 Evaluation Board features a 300kHz switching frequency, a status report via I2C communication, and an 8V to 15V input voltage range. This Evaluation Board comes with a default output voltage of 20V for both channels and a default output current of 0.2A. The MCP19215 Evaluation Board includes a USB A to mini-USB type B cable.

Features

  • 8V to 5V input voltage range
  • 20V output voltage for both channels
  • 1A output current (maximum)
  • 300kHz switching frequency
  • Onboard high-performance power MOSFET transistors
  • Overcurrent and overvoltage protection
  • Status report via I2C communication
  • Under Voltage Lock-Out (UVLO) with programmable thresholds (via software)

Board Layout

Microchip Technology MCP19215 Evaluation Board (ADM00799)

Application Circuit

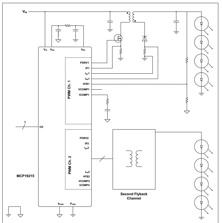
Application Circuit Diagram - Microchip Technology MCP19215 Evaluation Board (ADM00799)
Publicado: 2017-06-09 | Actualizado: 2022-03-11