Monolithic Power Systems (MPS) EV2721-RH-00A Evaluation Board

Monolithic Power Systems (MPS) EV2721-RH-00A Evaluation Board evaluates the MP2721 5A switch-mode battery management device for single-cell Li-ion or Li-polymer batteries. The Monolithic Power Systems (MPS) MP2721 device's narrow-voltage DC (NVDC) power management structure ensures efficient charging, faster charge times, and longer battery life. The board supports USB Battery Charging Specification 1.2 (BC 1.2) and non-standard adaptor detection through an input source identification algorithm. A serial interface enables full control over operations, charging parameters, and status/interrupt monitoring. The MP2721 also offers a customizable JEITA profile with adjustable temperature windows and actions.

Features

  • 4V to 16V input voltage (VIN) supply
  • 0V to 4.6V battery voltage (VBATT) range
  • 0A to 5A charge current (ICC) range
  • 0A to 3.2A input current (IIN) range
  • 0A to 3A boost output current (IBOOST_OUT) range

Applications

  • General ≤15W USB applications
  • BLUETOOTH® headphones
  • BLUETOOTH speakers
  • Point-of-Sale (POS) terminals
  • Portable cameras

Videos

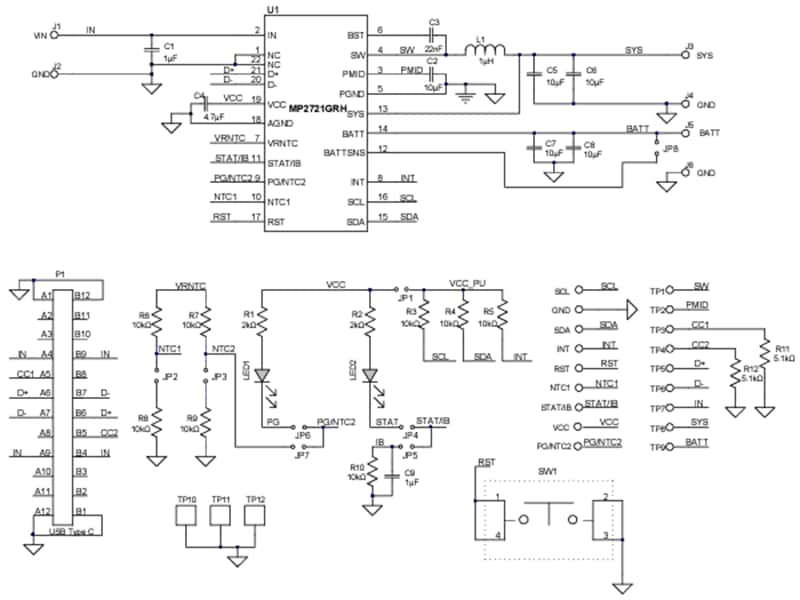
SCHEMATIC

Schematic - Monolithic Power Systems (MPS) EV2721-RH-00A Evaluation Board
Publicado: 2024-10-16 | Actualizado: 2024-10-22