Monolithic Power Systems (MPS) EVM3690-50D-BF-00A Evaluation Board

Monolithic Power Systems (MPS) EVM3690-50D-BF-00A Evaluation Board is designed to demonstrate the capabilities of the MPM3690-50D fully integrated power module. The MPM3690-50D power module integrates monolithic DC-DC converters, power inductors, and other passive components. This module adopts internally compensated Constant-On-Time (COT) control to provide a fast transient response. The EVM3690-50D-BF-00A board operates is available in 10cm x 10cm x 1.5cm dimensions. This evaluation board is used in networking equipment, ASIC power systems, and industrial equipment.

Features

  • 1.2V output voltage
  • 600kHz default switching frequency
  • 92.95% peak efficiency
  • 89.68% full load efficiency
  • 50A maximum output current
  • Available in 10cm x 10cm x 1.5cm dimensions

Applications

  • FPGA and ASIC power systems
  • Industrial equipment
  • Telecom and networking equipment

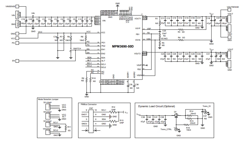
Schematic Diagram

Schematic - Monolithic Power Systems (MPS) EVM3690-50D-BF-00A Evaluation Board
Publicado: 2024-05-20 | Actualizado: 2024-06-07