Navitas Semiconductor NV1702 IsoFast™ Bi-Directional GaN Gate Driver
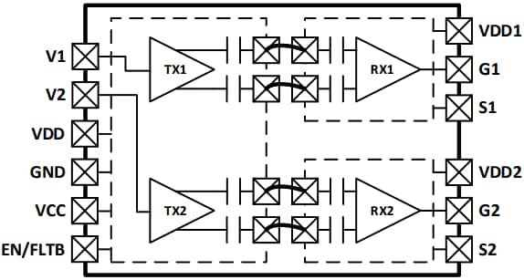
Navitas Semiconductor NV1702 IsoFast™ Bi-Directional GaN Gate Driver is optimized to drive bi-directional GaN and deliver reliable, fast, and accurate power control in high-voltage systems. This dual-independent-channel digital GaN driver offers four times higher transient immunity than existing drivers (up to 200V/ns), and no external negative bias supply is needed. The high-speed device features two fully isolated drivers engineered to drive GaN power switches with a medium on-resistance range and low dV/dt applications (10V/ns to 20V/ns). The digital input controls are galvanically isolated from the driver's sides using a proprietary double capacitive silicon isolation barrier, providing isolation above 10kV surge voltage between any input or output combination. The NV1702 IsoFast driver from Navitas can sustain common-mode transients as large as 200V/ns. Typical applications include single-stage converters, high-voltage inverters and motor control, and DC-DC switched power supplies.Features
- Galvanically isolated, high-speed driver
- Extreme CMTI up to 200V/ns
- Low pulse width distortion of <10ns
- Ultra-low jitter of <1ns
- Double capacitive isolation
- Undervoltage lockouts on all VDD and VCCx
- Carrier-free modulation
- Regulated gate voltage for GaN power switch
- Low quiescent-current consumption (350µA on input supply and 390µA on each output supply)
- Low current consumption in disabled mode (230µA on input supply and 290µA on each output supply)
Applications
- Single-stage converters
- DC-DC switched power supplies
- High-voltage motor control
- High-voltage inverters
Specifications
- SOIC16 narrow body and SOIC14 wide body packaging
- Up to 7MHz switching frequency
- 36ns minimum pulse width
- >4kVRMS peak isolation voltage VISO (60s)
- 975V DC working voltage VIORM (40yrs)
- 2kV HBM ESD protection
- 10V to 18V ±10% output supply range (VCC1, VCC2)
- TTL digital input controls compatible with 3.3V ±10%, 5V ±10%, and 12V ±10%
- 80mA pull-up / 300mA pull-down GaN driver typical peak current
- Input supply operation compatible with 8V to 18V ±10% (VCC) or 5V ±10% (VDD)
- -40°C to +125°C temperature range
Isolated Bi-Directional Switch
Simplified Block Diagram
Comparison Chart
Videos
Publicado: 2025-06-10
| Actualizado: 2025-06-12
