Nexperia 74AVC9112 1-to-4 Fan-Out Buffers

Nexperia 74AVC9112 1-to-4 Fan-Out Buffers are suitable for use in clock distribution and feature a data input (A), four data outputs (Yn), and an output enable input. The VCC is supplied at any voltage from 0.8V to 3.6V. A HIGH on output enable causes all outputs to be pulled LOW via pull-down resistors, and a LOW on output enable disconnects the pull-down resistors and enables all outputs. Schmitt trigger action at all inputs makes the circuit tolerant for slower input rise and fall time. Partial power-down disables the output, preventing damage from backflow current through the device when powered down. Nexperia 74AVC9112 1-to-4 Fan-Out Buffers are available in 8-pin XSON8 and VSSOP8 packages.

Features

  • Wide supply voltage range
    • VCC: 0.8V to 3.6V
  • Complies with JEDEC standards
    • JESD8-12 (0.8V to 1.3V)
    • JESD8-11 (0.9V to 1.65V)
    • JESD8-7 (1.2V to 1.95V)
    • JESD8-5 (1.8V to 2.7V)
    • JESD8-B (2.7V to 3.6V)
  • ESD protection
    • HBM ANSI/ESDA/JEDEC JS-001 Class 3B exceeds 8kV
    • CDM JESD22-C101 exceeds 1000V
  • Maximum data rates
    • 380Mbit/s (3.3V)
    • 200Mbit/s (2.5V)
    • 200Mbit/s (1.8V)
    • 150Mbit/s (1.5V)
    • 100Mbit/s (1.2V)
  • Latch-up performance exceeds 100mA per JESD 78 Class II
  • Inputs accept voltages up to 3.6V
  • 8-pin XSON8 and VSSOP8 packages
  • Specified from -40°C to +85°C and -40°C to +125°C

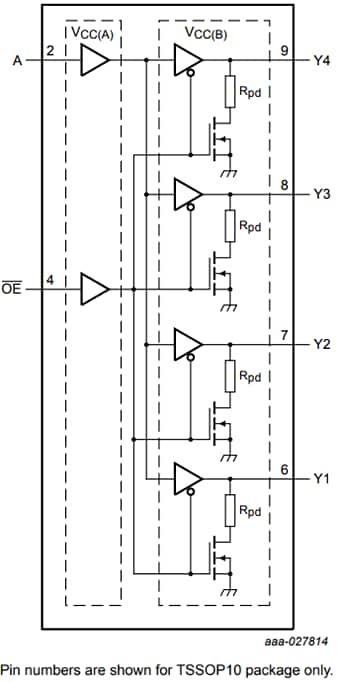
Functional diagram

Nexperia 74AVC9112 1-to-4 Fan-Out Buffers
Publicado: 2018-09-05 | Actualizado: 2023-03-15