NXP Semiconductors GD3000 3-Phase Brushless Motor Pre-Drivers

NXP Semiconductors GD3000 3-Phase Brushless Motor Pre-Drivers are highly efficient gate driver ICs for three-phase motor drive applications. The NXP Semiconductors GD3000 features three half-bridge drivers, each capable of driving two N-channel MOSFETs. With a peak current capability ranging from 1A to 2.5A, this pre-driver operates on a single power supply with a broad range from 6V to 60V and incorporates 75V transient protection. Utilizing a bootstrap gate driver architecture with trickle charge circuitry, the GD3000 supports a 100% duty cycle. Additionally, it employs programmable cross-talk protection to prevent current flow during high-side or low-side MOSFET switching. Integrated VDS sensing of both MOSFETs safeguards the external power stage against over-current conditions. Including a current shunt amplifier enables accurate current measurement for phase error detection.

Features

  • Fully specified from 8V to 40V covering 12V and 24V automotive systems
  • Extended operating range from 6V to 60V covering 12V and 42V systems
  • Includes a charge pump to support full FET drive at low battery voltages
  • Simultaneous output capability enabled via safe SPI command
  • Temperature ranges
    • -40°C to +125°C
    • -20°C to +105°C
  • Wide dead time range (50ns to 12μs) programmable via the SPI port
  • External FET gate drive capability of >1A with protection
  • Device protection against reverse charge-injection from CGD and CGS of external FETS
  • Integrated overcurrent, desaturation, and phase fault-detection
  • Immunity against positive or negative transient voltage spikes on the gate driver
  • Current shoot-through protection built into dead time control
  • Supports direct 3.3V and 5V logic interface to MCUs
  • Integrated current sensing amplifier
  • Device configuration and diagnostics through the SPI
  • Parallel and SPI Interface and input controllers

Applications

  • Braking and stability control
  • Diesel engine management
  • Electric Power Steering (EPS)

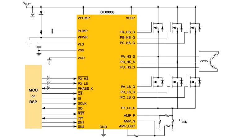
Block Diagram

Block Diagram - NXP Semiconductors GD3000 3-Phase Brushless Motor Pre-Drivers
Publicado: 2024-01-22 | Actualizado: 2024-03-29