NXP Semiconductors NAFE11388-EVB Evaluation Board

NXP Semiconductors NAFE11388-EVB Evaluation Board evaluates the NAFE11388 industrial-grade 8-channel universal input analog front-end (AFE). The NXP AFE meets high-precision measurement requirements. The software-defined factory is enabled by NXP's N-AFE analog front end. Beyond Industry 4.0, Manufacturing today is facing a significant transformation called Industry 4.0. Market demands like increased product variability are changing production. To meet these demands, a way to reconfigure production lines to run promptly is needed to maintain profit margins. The ability of smart factories to reconfigure is key. N-AFE analog front-end targeting factory automation applications can be configured for different inputs like voltage, current, resistance, RTD, and more to enable a software-defined factory.    

Features

  • Up to 8 software-configurable channels
    • Voltage, current, RTD, thermocouple
    • +/-0.15 to +/-12.5 ranges for single-ended signals
    • ±40V protection against miswiring
  • High accuracy
    • 0.002% system accuracy in room
    • 0.05% system accuracy over temperature
    • 10ppm max system level non-linearity
  • High precision, 180dB dynamic range
    • 17-bit ENOB at 7us/reading for single input
    • 17-bit ENOB at 36us/reading for multi-input
    • 1.0uVrms at 2.25ksps
    • 0.2uVrms at 60sps and 50sps
  • Fast and flexible data acquisition
    • 20us/reading for multi-inputs
    • Fast and configurable sequencer to offload EP
    • Fast and flexible reading modes
  • Digital factory calibration and self-calibration
    • 24-bit wide x 48-word deep NVM for calibration coefficients
    • Internal sources for system self-calibration
  • Advanced protection and diagnostic
    • Supplies monitoring, UVLO, OVD on signal path
    • Redundant voltage reference and temp sensor
    • BIST for complete signal path monitoring and failure and aging prediction

Applications

  • Industry 4.0 transformation in manufacturing
  • Increased product variability in traditional production
  • Timely reconfiguration of production lines to maintain profit margins
  • Smart factories and the ability to reconfigure
  • N-AFE analog front end for factory automation
  • Support for different types of inputs (voltage, current, resistance, RTD)
  • Software-defined factories
  • Enhanced accuracy and precision for improved product quality
  • Predictive maintenance for identifying issues before occurring to avoid downtime

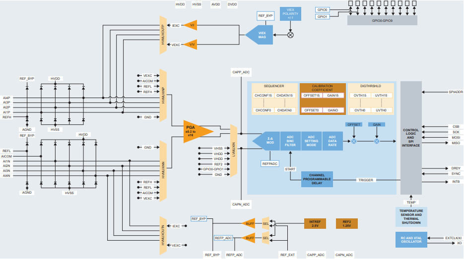
Block Diagram

NXP Semiconductors NAFE11388-EVB Evaluation Board
Publicado: 2022-12-02 | Actualizado: 2023-01-16