NXP Semiconductors TEA2016AAT Digital LLC+PFC Combo Controller

NXP Semiconductors TEA2016AAT Digital LLC+PFC Combo Controller is for high-efficiency resonant power supplies. It includes the LLC controller functionality and PFC controller operating in DCM and QR mode. The TEA2016AAT enables building a complete resonant power supply which is easy to design and has a very low component count. The TEA2016AAT comes in a low profile and narrow body-width SO16 package.

The NXP Semiconductors TEA2016AAT digital architecture is based on a high-speed configurable hardware state machine ensuring very reliable real-time performance. During the power supply development, many operation and protection settings of the LLC and PFC controller can be adjusted by loading new settings into the device to meet specific application requirements. The configurations can be fully secured to prevent unauthorized copying of the proprietary TEA2016AAT configuration content.

Features

  • Key
    • Complete functionality of LLC and PFC controller in single small-size SO16 package
    • Integrated high-voltage start-up
    • Integrated drivers and high-voltage level shifter (LS)
    • The high-side driver directly supplied from the low-side driver output
    • Accurate boost voltage regulation
    • Integrated X-capacitor discharge without additional external components
    • Power good function
    • Several parameters can easily be configured, like:
      • Operating frequencies to be outside the audible area at all operating modes
      • Soft start and soft stop in burst mode, reducing the audible noise
      • Accurate transition levels between operation modes (high-power mode/low-power mode/burst mode)
  • Green
    • Valley/zero voltage switching for minimum switching losses
    • High efficiency from low load to high load
    • Compliant with the latest energy-saving standards and directives (Energy Star, EuP)
    • Excellent no-load input power (< 75 mW for TEA2016AAT/TEA1995T combination)
  • Protection
    • Independently configurable levels and timers
    • All protections can independently be set to latch, safe restart, or latch after several attempts to restart
    • Supply undervoltage protection (UVP)
    • Overpower protection (OPP)
    • Internal and external overtemperature protection (OTP)
    • Capacitive mode regulation (CMR)
    • Accurate overvoltage protection (OVP)
    • Overcurrent protection (OCP)
    • Inrush current protection (ICP)
    • Brown-in/brown-out protection
    • Disable input

Applications

  • Desktop and all-in-one PCs
  • LCD television
  • Notebook adapter
  • Printers

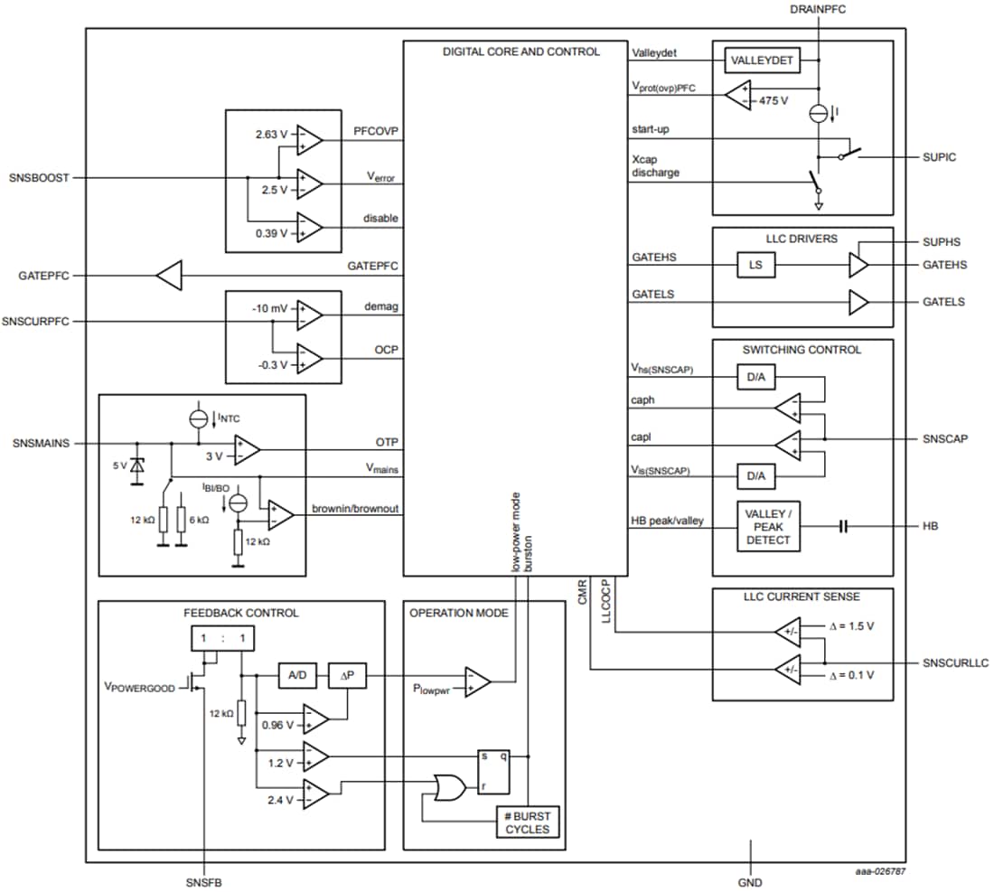
Block Diagram

Block Diagram - NXP Semiconductors TEA2016AAT Digital LLC+PFC Combo Controller
Publicado: 2023-01-09 | Actualizado: 2023-09-26