onsemi NCV7422 Dual LIN Transceiver
onsemi NCV7422 Dual Local Interconnect Network (LIN) Transceiver is a two-channel physical layer device that uses the LIN protocol. This transceiver interfaces two independent LIN physical buses and the LIN protocol controllers. The LIN bus is designed to communicate low-rate data from control devices such as door locks, mirrors, car seats, and sunroofs at the lowest possible cost. This bus eliminates as much wiring as possible and is implemented using a single wire in each node. onsemi NCV7422 LIN transceiver belongs to the in-vehicle networking (IVN) transceivers. This transceiver complies with ISO 17987-4 (backward compatible to LIN specification rev. 2.x and 1.3) and SAE J2602.Features
- Two-channel physical layer device
- Belongs to the IVN transceiver family
- ±42V bus voltage
- 1kbps to 20kbps transmission rate range
- TxD timeout function
- Integrated slope control
- Protection
- Thermal shutdown
- Undervoltage detection
- Bus pins protected against transients in an automotive environment
- Pin-compatible with the NCV7329 DFN8 package
- K-line compatible
- Wettable flank DFN-14 green package
- Modes
- Normal mode - LIN transceiver enabled, and communication via the bus is possible
- Sleep mode -LIN transceiver disabled, and the consumption from VBB is minimized
- Standby mode - transition mode reached after the wake-up event on the LIN bus
- Compliant to ISO 17987-4, LIN2.2a, LIN2.2, LIN2.1, LIN 2.0, and SAEJ2602 standards
- AEC-Q100 qualified and PPAP capable
Block Diagram
Additional Resource
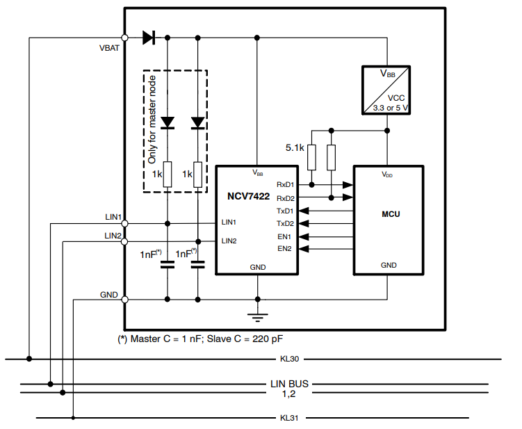
Application Circuit Diagram
Publicado: 2020-06-08
| Actualizado: 2024-05-23
