onsemi NCP81568 Switching Voltage Regulator

onsemi NCP81568 Switching Voltage Regulator is a single‐phase voltage regulator with SVID interface for computing applications. This switching voltage regulator is a high-performance, low-bias current, single-phase single rail regulator with integrated power MOSFET. The NCP81568 regulator features an ultra-low offset IOUT monitor with DCR sense and differential remote output voltage sensing. This device is able to deliver up to 20.25A TDC and 40A ICCMAX output current on an adjustable output. The NCP81568 regulator comes with an ultra-low offset current monitor amplifier with programmable offset compensation for high-accuracy current monitoring. This regulator is available in QFN48, 6mm x 6mm, 0.4mm pitch package and is a Pb-Free device. The NCP81568 switching voltage regulator is ideal for desktops, notebooks, and ultra-book computers.

Features

  • High-performance RPM control system
  • Intel IMVP9.2 protocol
  • Ultra-low offset IOUT monitor with DCR sense
  • Differential remote output voltage sensing
  • Soft transient control reduces inrush current and audio noise
  • Dynamic VID feed-forward
  • Externally programmable droop gain
  • Input supply voltage feed-forward control
  • Built-in over-voltage, under-voltage, and pin-programmable over-current protection
  • Zero droop capable
  • Ultrasonic operation
  • Programmable operating frequency
  • QFN48, 6mm x 6mm, 0.4mm pitch package
  • Pb-free device

Applications

  • Desktops
  • Notebooks
  • Ultra-book Computers

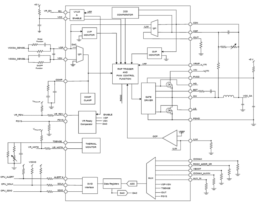
Block Diagram

Block Diagram - onsemi NCP81568 Switching Voltage Regulator

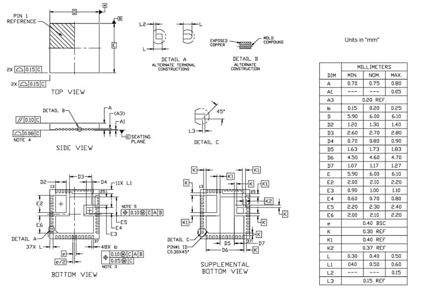
Dimension Drawing

Mechanical Drawing - onsemi NCP81568 Switching Voltage Regulator
Publicado: 2025-01-31 | Actualizado: 2025-02-07