onsemi NCV7390 CAN Interface IC

onsemi NCV7390 CAN Interface IC is designed for systems according to the International Standard ISO11992-1. This transceiver IC provides a point-to-point connection for serial data interchange between the towing and towed vehicle or other similar automotive applications. The NCV7390 transceiver is the interface between a Controller Area Network (CAN) protocol controller and the physical bus. This device provides differential transmit capability but allows switching in error conditions to a single-wire transmitter and/or receiver. The NCV7390 interface IC is suited for 12V and 24V battery system applications. This CAN interface IC features Low Electromagnetic Emission (EME) and high electromagnetic susceptibility, ground shift robustness, and thermal protection. The NCV7390 interface IC is AEC-Q100 qualified, PPAP capable, and Pb-free. This IC is well-suited for in-vehicle networking, automotive, and the interface between truck and trailer.

Features

  • Designed for systems according to the international standard ISO 11992-1
  • Suited both for 12V and 24V battery systems applications
  • Error detection circuit and capability of single wire operation
  • Sleep mode with low current consumption and bus wake-up function
  • VCC pin allowing interfacing with 3V to 5V microcontrollers
  • Low Electromagnetic Emission (EME) and high electromagnetic susceptibility
  • Ground shift robustness
  • Under all supply conditions, the chip behaves predictably
  • Thermal protection
  • AEC-Q100 qualified and PPAP capable
  • Pb-free devices

Applications

  • Automotive
  • Interface between the truck and the trailer
  • In-vehicle networking

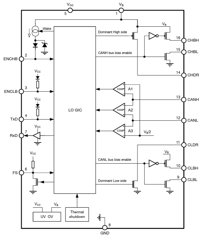
Block Diagram

Block Diagram - onsemi NCV7390 CAN Interface IC
Publicado: 2025-07-08 | Actualizado: 2025-07-15