onsemi NCx703x Unidirectional Current Sense Amplifiers

onsemi NCx703x Unidirectional Current Sense Amplifiers are high-voltage current sense amplifiers designed for precise current measurement in various applications. The onsemi NCx703x includes the NCS7030, NCS7031, NCV7030, and NCV7031 devices. These amplifiers offer excellent input common-mode rejection from -6V to 80V, ensuring accurate performance even in challenging environments. Available with gain options of 14V/V and 20V/V, the components maintain a maximum gain error of ±0.3% over the entire temperature range. The NCx703x amplifiers are ideal for automotive and industrial applications, providing reliable current sensing across a sense resistor. Additionally, these amplifiers are available in compact SOIC-8 and Micro8 packages, making them suitable for space-constrained designs.

Features

  • 100kHz bandwidth
  • ±300V maximum over temperature input offset voltage
  • ±3V/°C maximum over temperature offset drift
  • 14V/V and 20V/V gain options
  • ±0.3% maximum over temperature gain error
  • 1.5mA typical quiescent current
  • 3V to 5.5V supply voltage range
  • Common-mode input voltage range
    • -6V to 80V operating
    • -14V to 85V survival
  • 85dB minimum CMRR
  • 75dB minimum PSRR
  • ±10mA maximum input current
  • ±50mA maximum output current
  • 200mW maximum continuous total power dissipation
  • ±100mA maximm latch-up current
  • Low-pass filter (1-pole or 2-pole)
  • -40°C to +150°C extended ambient temperature range
  • Micro8 Case 846A-02 and SOIC-8 NB Case 751-07 package options
  • NCV prefix signifies automotive-qualified options
  • Moisture Sensitivity Level (MSL) 1
  • Lead-free device

Applications

  • Telecom equipment
  • Power supply designs
  • Diesel injection control
  • Automotive
  • Motor control

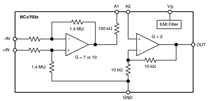
Simplified Block Diagram

Block Diagram - onsemi NCx703x Unidirectional Current Sense Amplifiers

Application Schematics

Application Circuit Diagram - onsemi NCx703x Unidirectional Current Sense Amplifiers
Publicado: 2025-03-25 | Actualizado: 2025-04-16