onsemi NVXR22S90M2SPx EliteSiC Power Modules

onsemi NVXR22S90M2SPx EliteSiC Power Modules offer improved performance, efficiency, and power density in compact and compatible packaging. The onsemi NVXR22S90M2SPx modules feature a 900V SiC MOSFET in a six-pack configuration, with press-fit pins for easy assembly and enhanced reliability. The devices include an optimized pin-fin heatsink on the baseplate and utilize sintering technology for reliability and thermal efficiency. The module is designed to meet the AQG324 automotive standard.

Features

  • Direct cooling with integrated pin-fin heatsink
  • Silicon Nitride isolator
  • Tvj.Max = +175°C for continuous operation
  • Automotive grade SiC MOSFET chip technologies
  • Sintered die technology for high-reliability performance
  • Easy to integrate 6-pack topology
  • Automotive module AQG324 compliant
  • Pb-free and RoHS-compliant

Applications

  • Converter DC battery output to power AC traction motors
  • High-power DC-DC converters

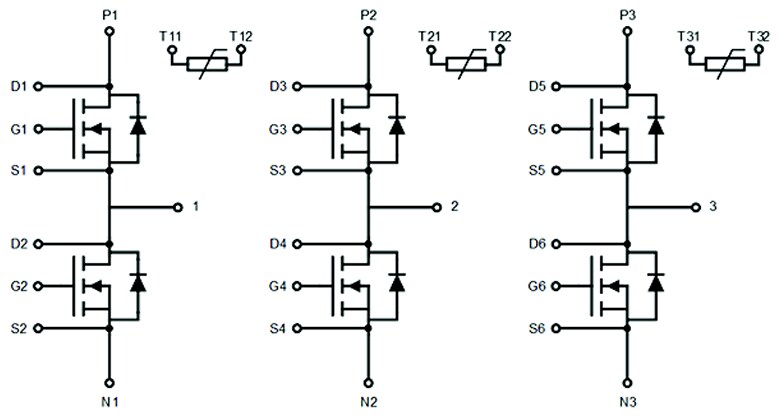
Pin Description

onsemi NVXR22S90M2SPx EliteSiC Power Modules
Publicado: 2024-02-05 | Actualizado: 2024-06-18