Phoenix Contact PSR-MC38 Safety Relays
Phoenix Contact PSR-MC38 Safety Relays are safety relays for emergency stop, safety doors, and light grids up to SILCL 3, Cat. 4, and PLe. These safety relays feature 1- or 2-channel operation and automatic or manual, monitored start, 2 enabling current paths, and 1 signal output. Phoenix Contact PSR-MC38 relays provide a TBUS interface for connecting CONTACTRON Pro hybrid motor starters and MINI POWER power supplies.Features
- 1- or 2-channel operation
- Automatic, manual, or monitored start
- 2 enabling current paths
- 1 signal output
- TBUS interface for connecting Contactron Pro hybrid motor starters and MINI POWER power supplies
- Up to Cat. 4/PLe according to ISO 13849-1, SILCL 3 according to IEC 62061, SIL 3 according to IEC 61508
Applications
- Emergency stop
- Safety door monitoring
- Evaluation of light grids
Specifications
- 24VDC control circuit supply voltage
- -20°C to +55°C operating temperature range
- 75mA (typical) control supply voltage
- 1.8W (typical) power consumption
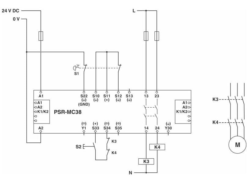
Circuit Diagram
Publicado: 2019-12-04
| Actualizado: 2025-10-07
