Power Integrations InnoSwitch™4-CZ ICs

Power Integrations InnoSwitch™4-CZ ICs combine with the ClampZero™ active clamp ICs to dramatically improve the efficiency of flyback power converters, especially those requiring a compact form-factor. The InnoSwitch4-CZ incorporates primary and secondary controllers and safety-rated feedback into a single IC.

The Power InnoSwitch4-CZ ICs integrated with the ClampZero ICs greatly reduces system and primary switch losses, allowing for extremely high power densities. The InnoSwitch4-CZ provides multiple protection features, including output overvoltage and over-current limiting, and over-temperature shutdown.

Devices are available that support the common combinations of latching and auto-restart protection mode required by applications such as chargers, adapters, consumer electronics, and industrial systems.

Features

  • Highly integrated, compact footprint
    • Zero voltage switching (ZVS) flyback controller with driver for ClampZeroTM (active clamp IC)
    • Unique control algorithm to enable ZVS in both DCM and CCM
    • Robust 750V PowiGaN™ primary switch
    • Steady-state switching frequency up to 140kHz minimizes transformer size
    • Synchronous rectification driver and secondary-side sensing
    • Integrated FluxLink™, HIPOT-isolated, feedback link
    • Exceptional CV/CC accuracy, independent of external components
    • Adjustable accurate output current sense using external sense resistor
  • EcoSmart™ – energy efficient
    • Up to 95% efficient
    • Less than 30mW no-load consumption including line sense
  • Advanced Protection / Safety Features
    • Open SR FET-gate detection
    • Fast input line UV/OV protection
  • Optional features
    • Variable output voltage, constant current profiles
    • Auto-restart or latching fault response for output OVP/UVP
    • Multiple output UV fault thresholds
    • Latching or hysteretic primary over-temperature protection
  • Full safety and regulatory compliance
    • Reinforced isolation >4000 VAC
    • 100% production HIPOT testing
    • UL1577 and TUV (EN60950) safety approved
    • Excellent noise immunity enables designs that achieve class “A” performance criteria for EN61000-4 suite; EN61000-4-2, 4-3 (30V/m), 4-4, 4-5, 4-6, 4-8 (100A/m) and 4-9 (1000A/m)
  • Green package
    • Halogen free and RoHS compliant

Applications

  • High density flyback designs up to 110W
  • High efficiency CV/CC power supplies
  • High efficiency USB PD adapters

Videos

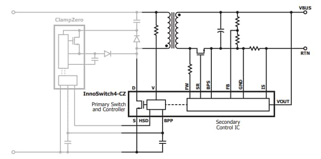
Application Schematic

Schematic - Power Integrations InnoSwitch™4-CZ ICs

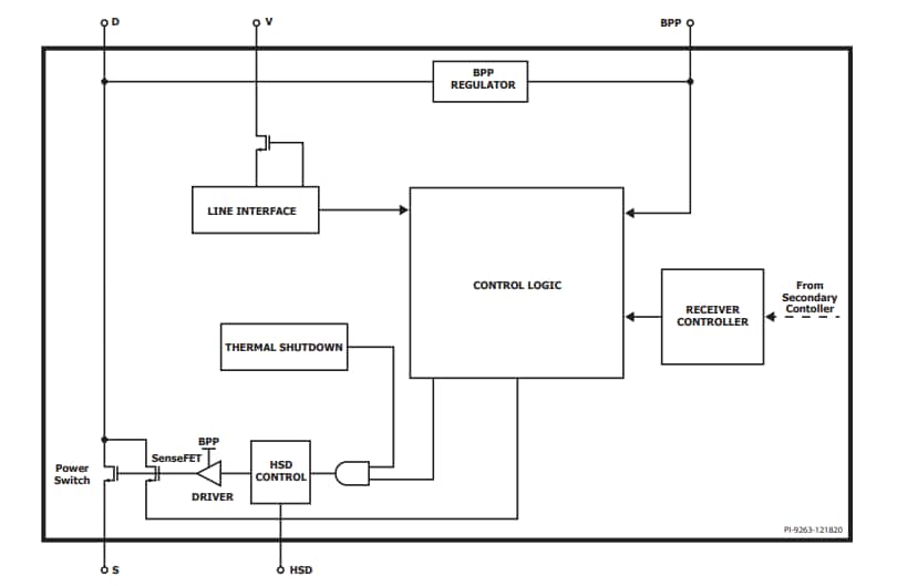
Primary Controller Block Diagram

Block Diagram - Power Integrations InnoSwitch™4-CZ ICs

Secondary Controller Block Diagram

Block Diagram - Power Integrations InnoSwitch™4-CZ ICs
Publicado: 2021-06-03 | Actualizado: 2023-05-24