Power Integrations LYTSwitch-5 Single-Stage LED Driver ICs

Power Integrations LYTSwitch-5 Single-Stage LED Driver ICs combine PFC and constant-current output to provide a flexible design platform for multiple common LED topologies. The ICs support non-isolated topologies such as buck and buck-boost for lamps and bulbs and safety-rated isolated flyback topology for ballast applications. These devices incorporate a high-voltage power MOSFET and discontinuous mode, variable frequency, variable on-time controller. The controller provides fast (cycle-by-cycle) current limit, input and output OVP, plus advanced thermal management circuitry.

The LYTSwitch-5 family offers up to 25W, an extended 90VAC to 308VAC universal input range, and a wide output voltage range (2:1). The ICs deliver >90% efficiency, >0.9 power factor, less than 5% total harmonic distortion, and ±3% current regulation accuracy over line, load, variance, and temperature. The LYTSwitch-5 Single-Stage LED Driver ICs are ideal for solid-state lighting applications operating below 25W.

Designers can choose from low-side or high-side switching to optimize for low EMI or reduced inductor complexity. Using the LYTSwitch-5 LED Driver ICs, designers can develop smaller heatsinks and more compact implementations.

Features

  • Combined single-stage PFC + accurate CC output
    • Accurate CC, better than ±3%
    • Power factor of >0.9
    • Low total harmonic distortion (THD) of <10% with typical input and output conditions
    • >90% efficient in optimized designs
    • High switching frequency and DCM allow compact magnetics
  • Design flexibility
    • Supports buck, buck-boost, tapped-buck, boost, isolated, and non-isolated flyback topologies
    • 2 MOSFET voltage options and 3 power levels for optimum device selection
  • High reliability
    • No electrolytic bulk capacitors or optoisolators for increased lifetime
    • Comprehensive protection features
      • Input and output overvoltage
      • Open-loop protection
    • Advanced thermal control
      • Thermal foldback allows output light delivery at abnormally high ambient temperatures
      • Hysteretic shutdown provides protection during fault conditions

Applications

  • Down-lights
  • High- and low-bay ballasts
  • Bulbs
  • Tubes

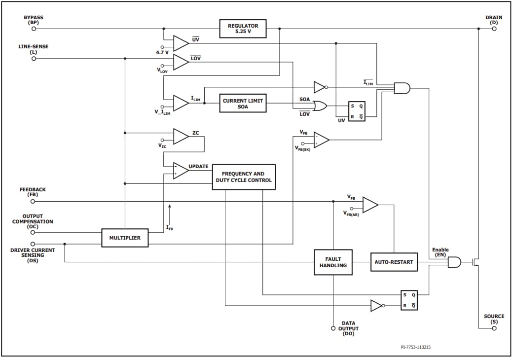
Block Diagram

Power Integrations LYTSwitch-5 Single-Stage LED Driver ICs
Publicado: 2016-04-11 | Actualizado: 2022-03-11