Qorvo QPA1027 GaN Power Amplifiers
Qorvo QPA1027 GaN Power Amplifiers offer 60W saturated output power and 22dB large-signal gain while achieving high efficiency. These amplifiers have bias flexibility that helps in varying the voltage to achieve optimum system performance while maintaining high reliability. Qorvo QPA1027 GaN Power Amplifiers are matched to 50Ω with integrated DC blocking caps on both I/O ports. These amplifiers are packaged in a plastic overmold QFN with a copper paddle, offering easy handling with good thermal properties. The QPA1027 high-power, S-band amplifiers are fabricated on Qorvo’s production 0.25 um GaN on SiC High Voltage process (QGaN25HV). Typical applications include S-band radar and satellite communication.Features
- 2.8GHz to 3.5GHz operational frequency range
- 48dBm PSAT (PIN=26dBm)
- 55% PAE (PIN=26dBm)
- >31dB small signal gain
- Pulsed VD=50V, IDQ=300mA, and VG=-2.7V typical bias
- 6mm x 6mm x 0.85mm dimensions
Applications
- S-Band radar
- Satellite communication
Block Diagram
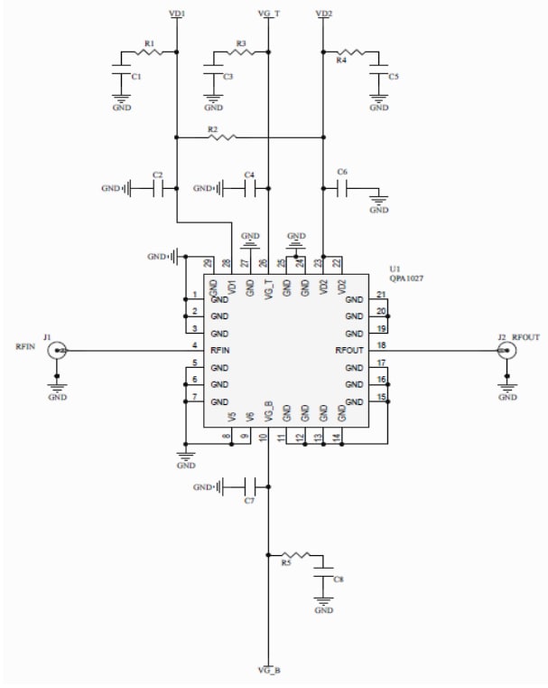
Application Circuit Diagram
Publicado: 2019-07-12
| Actualizado: 2023-11-20
