RECOM Power RPZ-x-EVM-1 Evaluation Modules

RECOM Power RPZ-x-EVM-1 Evaluation Modules are ready-to-go evaluation platforms for the RPZ-0.5, RPZ-1.0, RPZ-2.0, RPZ-3.0A, and RPZ-6.0 Buck Regulator Modules. The evaluation modules offer an output voltage selection from 1V to 3.3V, control, power good, soft-start, and sensing functions. The RPZ-x-EVM-1 modules feature a class B EMI filter with thermal design considerations to optimize performance. The RECOM Power RPZ-x-EVM-1 Evaluation Modules are ideal for industrial controllers, microprocessors, microcontrollers, and industrial Internet of Things (IoT).

Features

  • Evaluation platform for the RPZ-0.5, RPZ-1.0, RPZ-2.0, RPZ-3.0A, and RPZ-6.0 Buck Regulator Modules
  • Thermal design considerations
  • EMI Class B filter
  • Evaluates output voltage selection, control, power good, soft-start, and sensing functions

Applications

  • Industrial controllers
  • Microprocessors
  • Microcontrollers
  • Industrial IoT

Specifications

  • 2.3VDC to 7VDC input voltage range
  • Output voltage pre-selects
    • 1VDC, 1.2VDC, 1.8VDC, 2.5VDC, 3.3VDC
  • 500mA to 6000mA max output current rating
  • 900kHz to 3000kHz switching frequency

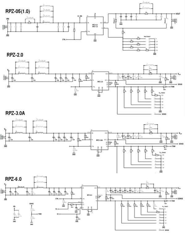
Schematics

Schematic - RECOM Power RPZ-x-EVM-1 Evaluation Modules
Publicado: 2024-05-29 | Actualizado: 2024-05-30