ROHM Semiconductor BD34302EKV MUS-IC™ Series 32-Bit Stereo Audio DAC
ROHM Semiconductor BD34302EKV MUS-IC™ Series 32-Bit Stereo Audio DAC is developed for high-quality audio that integrates ROHM's exceptional sound quality design technology. The DWA enhances THD performance and supplies higher resolution and better natural sound quality with HD (High-Definition) monaural mode. Additionally, the ROHM BD34302EKV has an automatic mode-switching function that allows users to easily switch between PCM/DSD and different sampling frequencies.Features
- MUS-IC series
- SNR 130dB (Typ), THD+N -115dB (typ)
- Sampling frequency 32kHz to 1536kHz
- DSD 2.8MHz, 5.6MHz, 11.2MHz and 22.5MHz
- Supports Stereo Mode (2ch), Monaural Mode (1ch), and HD (High Definition) Monaural Mode (1ch)
- 2 types of digital FIR filters
- 2 types of DWA algorithms
- Automatic mode switching
- Multi-bit ΔΣ data input support
- 4 selectable device addresses (38h/3Ah/3Ch/3Eh)
- HTQFP64BV 12.0mm x 12.0mm x 1.0mm package
Applications
- Smart speakers
- High-resolution audio
- CD/SACD player
- Digital Audio Player (DAP)
- USB-DAC and others
Specifications
- 4.5V to 5.5V supply voltage range of AVCC
- 1.4V to 1.6V supply voltage range of DVDD
- 3.0V to 3.6V supply voltage range of DVDDIO
- 130dB (Typ) SNR
- -115dB (Typ) THD+N
- 130dB (Typ) dynamic range
- -40°C to +85°C operation temperature range
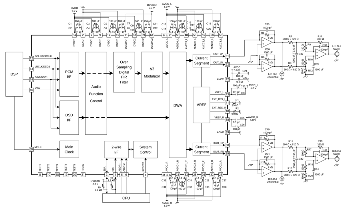
Typical Application Circuit
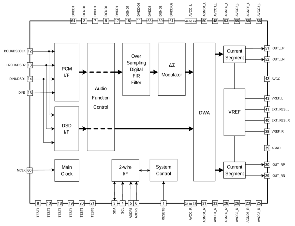
Block Diagram
Publicado: 2025-01-06
| Actualizado: 2025-07-17
