ROHM Semiconductor BD41044FJ-C CAN FD Transceivers for Automotive

ROHM Semiconductor BD41044FJ-C CAN FD Transceivers for Automotive are for CAN-FD communication (fully ISO 11898-2:2016 compliant). The device is equipped with circuitry that functions as transmitter and receiver, necessary for High-speed CAN-FD communication (up to 5Mbps).

Features

  • AEC-Q100 qualified
  • Transmission rate of 40kbps to 5Mbps
  • Power saving mode correspondence
  • SPLIT voltage output for stabilizing recessive Bus level
  • Under-voltage detection function
  • Thermal shutdown (TSD) function
  • TXD dominant time-out function (normal mode) 
  • CAN Bus dominant time-out function (standby mode)
  • Bus wake-up capability

Applications

  • CAN communication for automotive networks

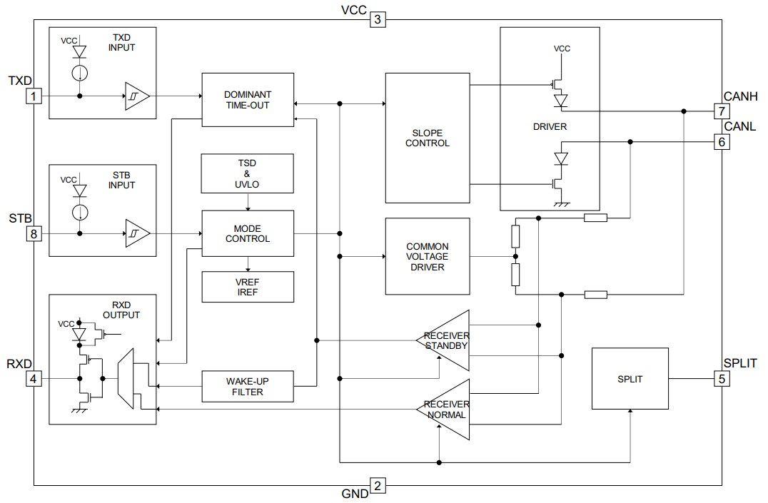
Block Diagram

Block Diagram - ROHM Semiconductor BD41044FJ-C CAN FD Transceivers for Automotive
Publicado: 2022-02-01 | Actualizado: 2022-03-11