ROHM Semiconductor IGBT Intelligent Power Modules

ROHM Semiconductor IGBT Intelligent Power Modules (IPMs) Insulated-Gate Bipolar Transistors (IGBT) optimized for both high-speed and low-speed switching drives. These IPMs are comprised of gate drivers, bootstrap diodes, IGBTs, and flywheel diodes. The modules offer a collector current ranging from 3A to 80A and voltage ranging from 600V to 1800V. The ROHM Semiconductor IGBT IPMs feature 3-phase DC/AC inverter, low side IGBT open-emitter, high side IGBT gate driver, low side IGBT gate driver, and fault signal. Typical applications include low-speed and high-speed switching drives.

Features

  • 3-phase DC/AC inverter
  • Optimized for both high-speed and low-speed switching drive
  • Voltage ranging from 600V to 1800V
  • Collector current ranging from 3A to 80A
  • High-Side IGBT Gate Driver
    • Silicon on Insulator (SOI) process
    • Drive circuit
    • High-voltage level shifting
    • Current limit for bootstrap diode
    • Control supply Under-Voltage Locked Out (UVLO)
  • Low Side IGBT Gate Driver
    • Drive circuit
    • Short circuit Current Protection (SCP)
    • Control supply UVLO
    • Thermal Shutdown (TSD)
  • Low-side IGBT open-emitter
  • Built-in bootstrap diode
  • Fault signal
  • Input interface 3.3V and 5V line

Applications

  • High-speed switching drive of motor
  • Washing machine
  • Fan
  • Low-speed switching drive of motor
  • Air conditioner
  • Refrigerator

Specifications

  • 1.5V typical IGBT Collector-Emitter Voltage (VCESAT)
  • 1.5V typical Forward Voltage (VF)
  • 100ns typical reverse recovery time (trr)

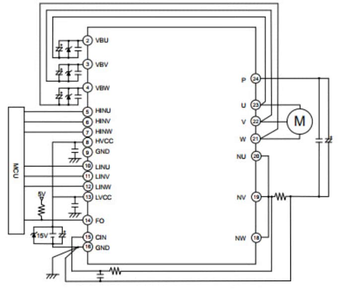
Typical Application Circuit

Application Circuit Diagram - ROHM Semiconductor IGBT Intelligent Power Modules
Publicado: 2017-09-15 | Actualizado: 2022-06-27