ROHM Semiconductor BD41030 LIN & CXPI Transceiver ICs
ROHM Semiconductor BD41030 LIN and CXPI Transceiver ICs are designed to switch between Master/Slave modes using Local Interconnect Network (LIN) or external pins. These ROHM Semiconductor ICs feature low Electro Magnetic Emission (EME), high Electro Magnetic Immunity (EMI), built-in Thermal Shutdown (TSD), and a built-in terminator. The BD41030 Transceiver ICs are ideal for BUS systems that need LIN master and slave protocol. These Transceivers switch between Master/Slave mode using external pins. The AEC-Q100 Qualified BD41030 Transceivers are ideal for use in automotive networks.The BD41030 Transceiver is offered in SOP-J8 and HSON8 packages for design flexibility.
Features
- AEC-Q100 qualified, Grade 1
- Compliant with LIN2.0, LIN2.1, LIN2.2, and LIN2.2A
- CXPI standards qualified
- -27V to 40V absolute maximum ratings of LIN-pin
- 20kbps max transmission rate for LIN
- 5kbps to 20kbps transmission speed range for CXPI
- Low Electro Magnetic Emission (EME)
- High Electro Magnetic Immunity (EMI)
- High impedance at power off for BUS
- High Electrostatic Discharge (ESD) robustness
- Built-in terminator
- Standby power consumption in sleep mode
- Transmit data (TXD) dominant time-out function
- Resistant to LIN-BAT/GND short-circuit
- Data arbitration function
- Built-in Thermal Shutdown (TSD)
- Package options:
- SOP-J8 (4.90mm x 6.00mm x 1.65mm)
- HSON8 (2.90mm x 3.00mm x 0.60mm)
Applications
- LIN communication for Automotive networks
Additional Resources
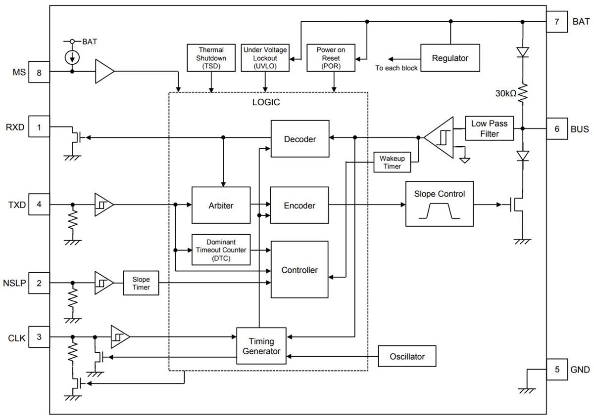
Block Diagram
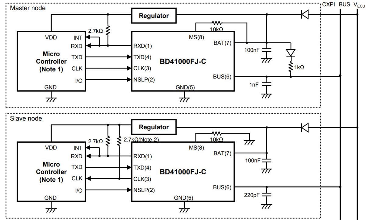
Application Circuit
Publicado: 2018-03-15
| Actualizado: 2023-03-09
