ROHM Semiconductor RB-D62Q1544TB52 Reference Board
ROHM Semiconductor RB-D62Q1544TB52 Reference Board is designed with the LAPIS ML62Q1544 16-bit RISC CMOS microcontroller. This reference board offers a powerful platform for evaluating and developing embedded systems requiring efficient processing and low power consumption. Powered by the ML62Q1544 MCU, the board features high-speed performance, low-power operation, and flexible memory options, including onboard flash memory and RAM. It supports various I/O interfaces, including digital I/O, ADC, and timers, and provides connectivity options like UART, SPI, and I2C for communication with peripherals.Ideal for prototyping applications in industrial control, consumer electronics, and automotive systems, the ROHM Semiconductor RB-D62Q1544TB52 board also includes comprehensive development tools, example code, and hardware schematics to accelerate the design process. Its compact form factor and versatility make it a valuable tool for engineers looking to create efficient, real-time embedded solutions.
Features
- Provided with LAPIS ML62Q1544 CMOS 16-bit RISC MCU, 52-pin TQFP
- Mounted with a linked connector to EASE1000
- Through-holes for connecting the pins of LSI to external peripheral boards
- Selectable power supply, supplied from the on-chip emulator EASE1000 or CN1_3pin/CN2_2pin
- Mounted LED (P20, P21, P22)
- Mounted 32.768KHz crystal
- 1.6V to 5.5V operating supply range
- Low power consumption
- High-speed performance
- Flexible memory options
- Supports real-time operation
- Compact form factor, 56mm x 94mm x 15mm (WxDxH) size
Applications
- Industrial control
- Automotive electronics
- Consumer products
Overview
Power Circuit
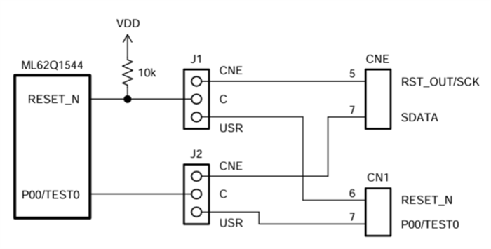
EASE1000 Interface
PCB Layout
Publicado: 2024-12-23
| Actualizado: 2024-12-30
