ROHM Semiconductor RB-D62Q2035TD20 Reference Board

ROHM Semiconductor RB-D62Q2035TD20 Reference Board is equipped with the LAPIS ML62Q2035 16-bit microcontroller, providing a reliable platform for development and evaluation. This microcontroller is designed for low power consumption and high performance, making it ideal for many embedded applications. The reference board integrates essential peripherals, including ADCs, UART, SPI, I2C, and GPIOs, providing flexibility for various interfacing needs. The board's compact design and debugging capabilities simplify the prototyping and development process. At the same time, its support for energy-efficient operation makes it well-suited for battery-powered and Internet of Things (IoT) devices. With comprehensive documentation and software resources, the RB-D62Q2035TD20 board is an excellent choice for engineers and developers working on consumer electronics, industrial automation, smart home solutions, and more.

The RB-D62Q2035TD20 can be used to learn how to use the ML62Q2035 MCU, for which the user needs to provide additional external components if necessary. By using the RB-D62Q2035TD20 together with the EASE1000 V2 on-chip emulator and the software development environment, the user can develop software and debug/program the Flash. Also, connecting an external power supply to the RB-D62Q2035TD20 reference board enables use independently without connecting an EASE1000 V2.

Features

  • Provided with the LAPIS ML62Q2035 16-bit microcontroller, 20-pin TSSOP
  • Mounted with the linked connector to EASE1000 V2
  • Through-holes for connecting the pins of LSI to external peripheral boards
  • Selectable power supply, supplied from the on-chip emulator EASE1000 V2 or CN1_6pin
  • Mounted with a charge pump for generating power
  • Mounted LED (P05)
  • Foot pattern with components for Successive Approximation Type A/D Converter is available (P14, P15, P16, P17)
  • Low power consumption
  • Integrated ADCs, UART, SPI, I2C, and GPIOs
  • Debugging and programming interfaces
  • Flexible power options
  • 4.5V to 5.5V supply voltage range
  • 56mm x 94mm x 15mm (WxDxH) size

Applications

  • Industrial automation
  • IoT devices
  • Consumer electronics
  • Battery-powered systems
  • Smart home applications
  • Measurement and sensing
  • Educational and development projects

Overview

Location Circuit - ROHM Semiconductor RB-D62Q2035TD20 Reference Board

Power Circuit

Location Circuit - ROHM Semiconductor RB-D62Q2035TD20 Reference Board

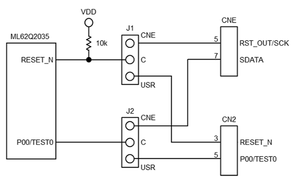
EASE1000 V2 Interface

Location Circuit - ROHM Semiconductor RB-D62Q2035TD20 Reference Board

PCB Layout

Mechanical Drawing - ROHM Semiconductor RB-D62Q2035TD20 Reference Board
Publicado: 2025-01-10 | Actualizado: 2025-08-19