Rubycon ZLQ Radial Lead Aluminum Electrolytic Capacitors
Rubycon ZLQ Radial Lead Aluminum Electrolytic Capacitors feature a 6.3VDC to 35VDC voltage range, ±20% capacitance tolerance, and RoHS compliance. The ZLQ series offers an ultra-miniaturized design and a 400 to 3880mA rated ripple current. Rubycon ZLQ Radial Lead Aluminum Electrolytic Capacitors have a 5mm x 11.5mm to 16mm x 25mm dimensions range.Features
- 6.3VDC to 35VDC rated voltage
- ±20% capacitance tolerance
- 3000 to 6000 hours of load life
- -40°C to hours +105°C temperature range
- RoHS compliant
- 400mA to 3880mA rated ripple current
- 5mm x 11mm to 16mm x 25mm dimensions
- Ultra-miniaturized design
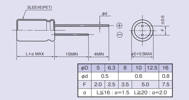
Dimensions
Publicado: 2019-08-12
| Actualizado: 2023-06-12
